Document ID# 1199525
1998 Saturn SL2/SC2/SW2
 

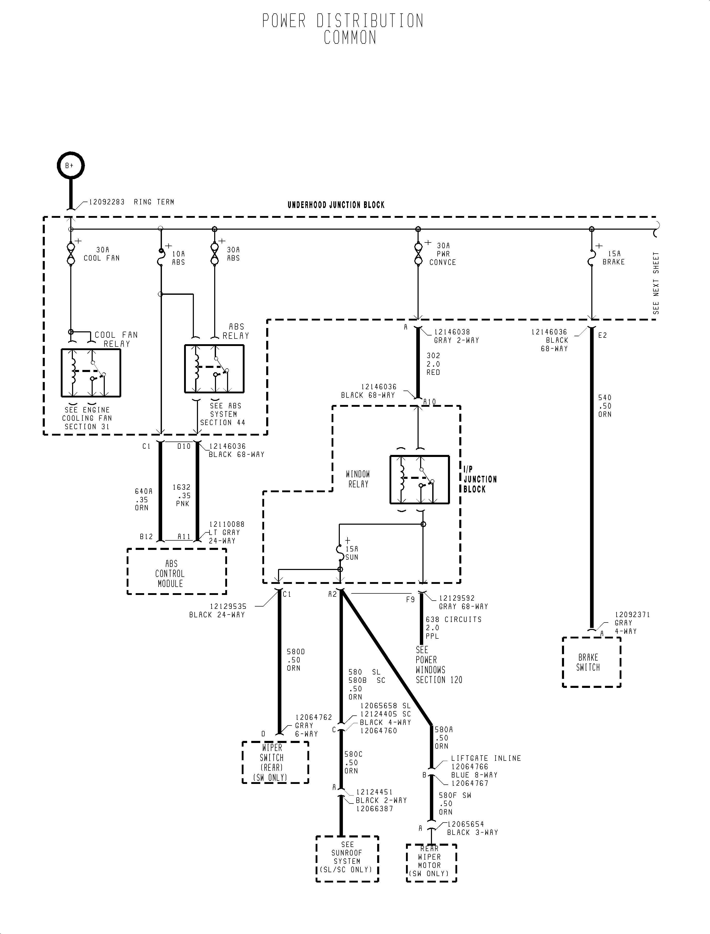
FIGURE 12 of 15(c)


Object Number: 907190  Size: FP
Click here for detailed picture of above image.

  Document ID# 1199525
1998 Saturn SL2/SC2/SW2