
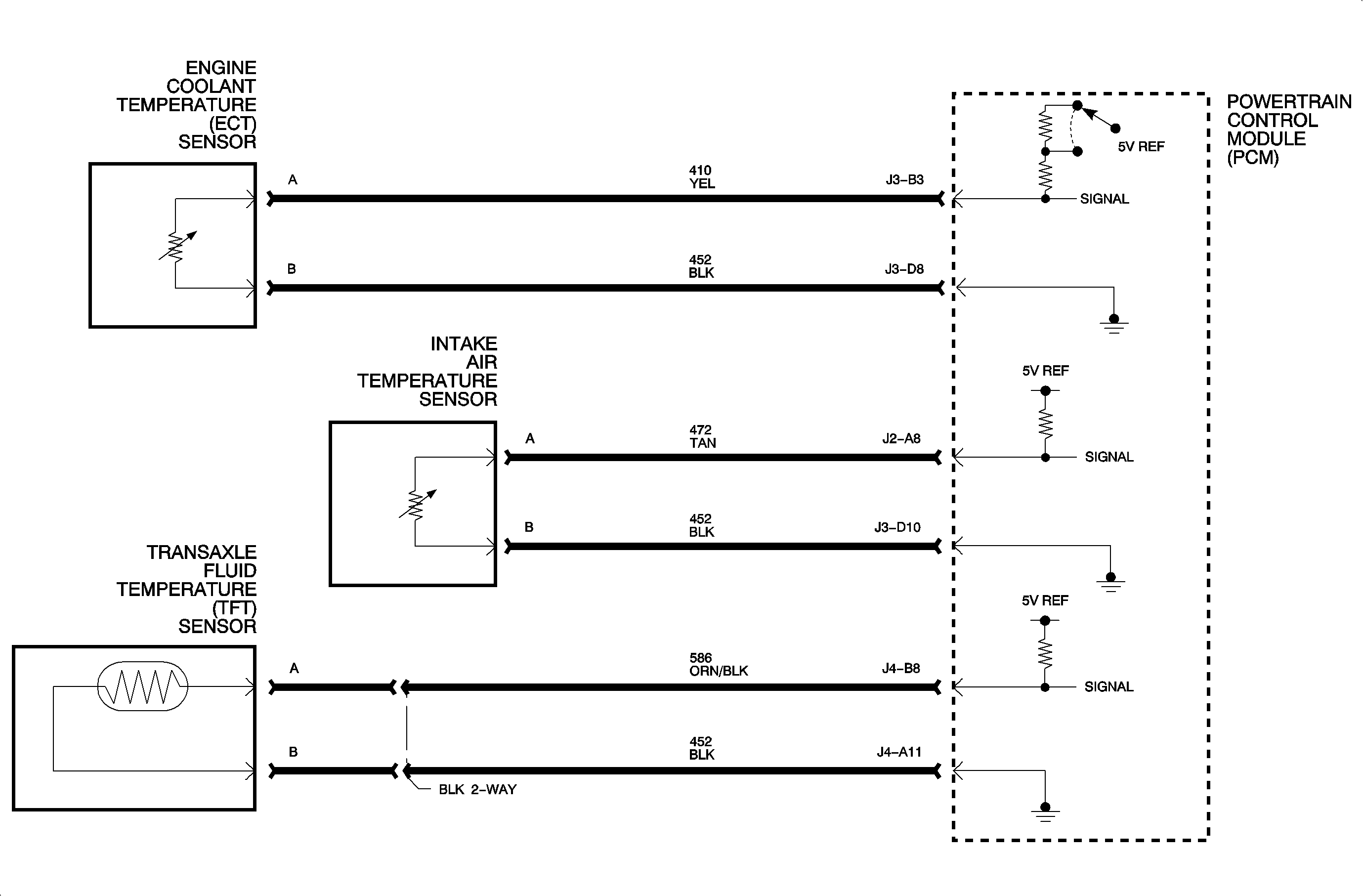
The transaxle fluid temperature sensor, engine coolant temperature (ECT) sensor, and the intake air temperature (IAT) sensor are thermistor circuits. When the sensors are cold, they have high resistance and high sensor voltage. As the temperature increases, this resistance and voltage decreases. The PCM supplies a 5-volt signal to the sensors, which is also connected to ground. The PCM reads the voltage drop on the sensor signal lines to determine the corresponding temperature.
The transaxle fluid temperature ECT and IAT
sensors are continuously checked when the ignition is ON.Important
Visually inspect the transaxle fluid temperature,
ECT, and IAT wires for evidence of shorts to battery/ignition voltage. Shorts to battery/ignition
voltage will skew the sensor resistance and cause DTC P0710 and P0711 to set.Important
DTC P0711 is set when the PCM/TC has completed 2 warm-up cycles with the following parameters detected:
DTC P0711 may set if the vehicle is towed with the front wheels on the ground. If it is suspected that the vehicle has been towed recently, clear the DTC and return the vehicle to the customer.
With the ignition ON and the engine OFF, observe the transaxle fluid temperature vs. ECT vs. IAT sensor after the vehicle obtained a cold soak.
Refer to Description and Operation for transaxle fluid temperature, ECT, and IAT sensors Temperature vs. Resistance chart.
The PCM uses 2 internal circuits to
identify transaxle temperature. One circuit is used for temperatures of 48°C (118°F)
and below. If either circuit has failed, the DTC will set. However, the temperature
may look normal in the other range.Important
DTC P0711 can not be cleared until the TFT
sensor passes at least 1 warm-up cycle. Refer to DTC P0711 parameters
for specific requirements.Important
Test low scale with the engine at room temperature and high scale with the engine at normal operating temperature, above 70°C (158°F).
Degrees (°C) | Degrees (°F) | Sensor Resistance (Ohms) |
|---|---|---|
-40 | -40 | 77k-100k |
-29 | -20 | 39k-53k |
-18 | 0 | 21k-27k |
-7 | 20 | 11k-15k |
4 | 40 | 6.6k-8.4k |
16 | 60 | 3.9k-4.5k |
27 | 80 | 2.4k-2.7k |
38 | 100 | 1.5k-1.7k |
49 | 120 | 0.98k-1.1k |
60 | 140 | 650-730 |
72 | 160 | 430-480 |
83 | 180 | 302-334 |
94 | 200 | 215-235 |
105 | 220 | 159-172 |
120 | 248 | 104-113 |
140 | 284 | 63-68 |
The following chart lists the possible thermal sensor faults and the associated DTC.
Sensor Fault | |||
|---|---|---|---|
DTC Fault | IAT | ECT | Transaxle Fluid Temperature Sensor |
P0711 | Skewed low | Normal | Normal |
P0711 | Normal | Skewed low | Normal |
P0711 | Normal | Normal | Skewed low |