DTC P0761
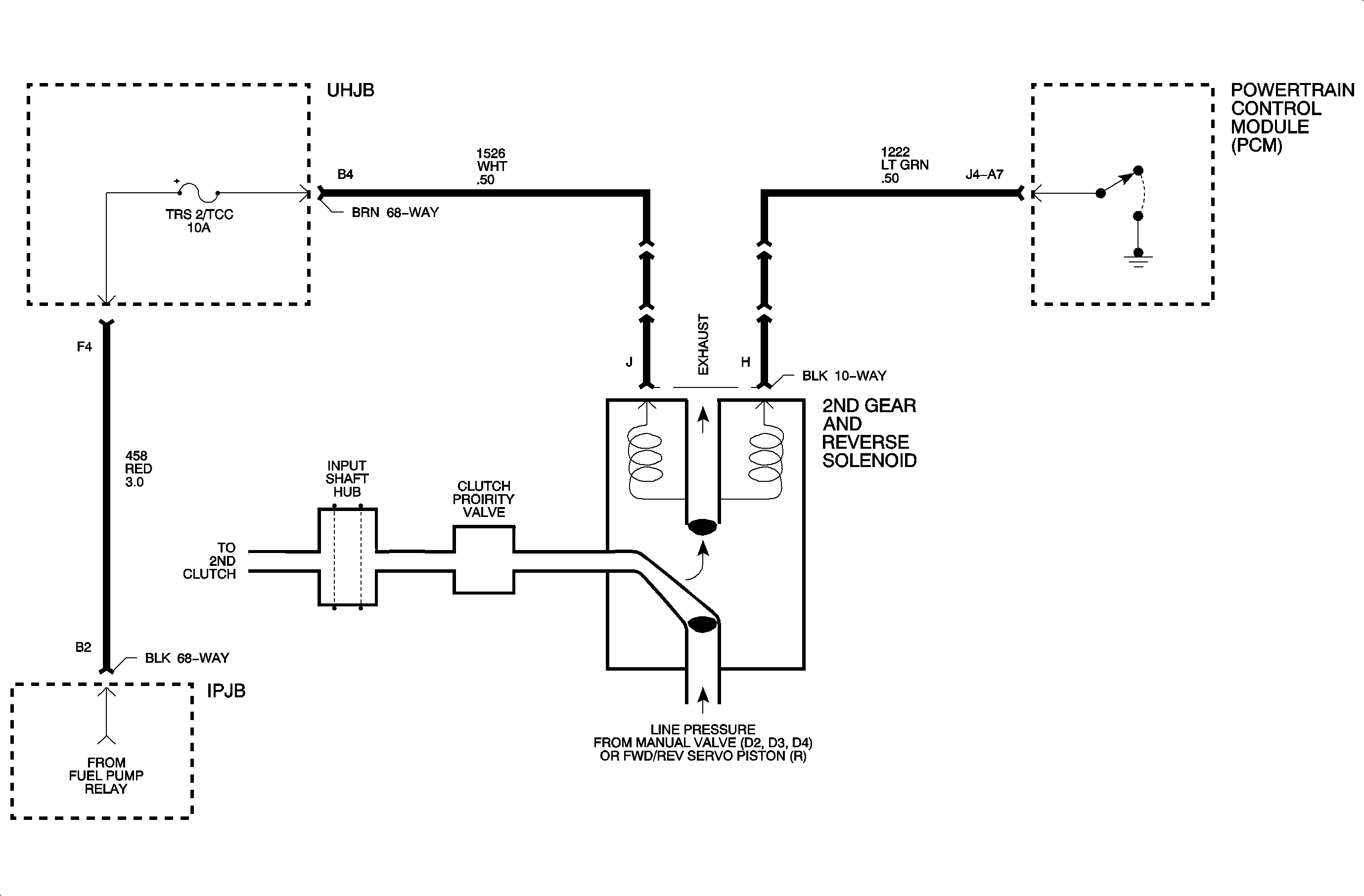
Circuit Description

Third clutch is applied when circuit 1223 is opened at the PCM. When
the PCM opens the circuit, the voltage is monitored at terminal J4A06 to check
for proper circuit conditions.
Conditions for Setting the DTC
DTC P0761 is set when the PCM has detected voltage monitored at terminal J4A06,
circuit 1223, is below 2-2.5 volts when the 3rd gear actuator
is switched OFF electrically by the PCM, twice per ignition cycle.
Test Description
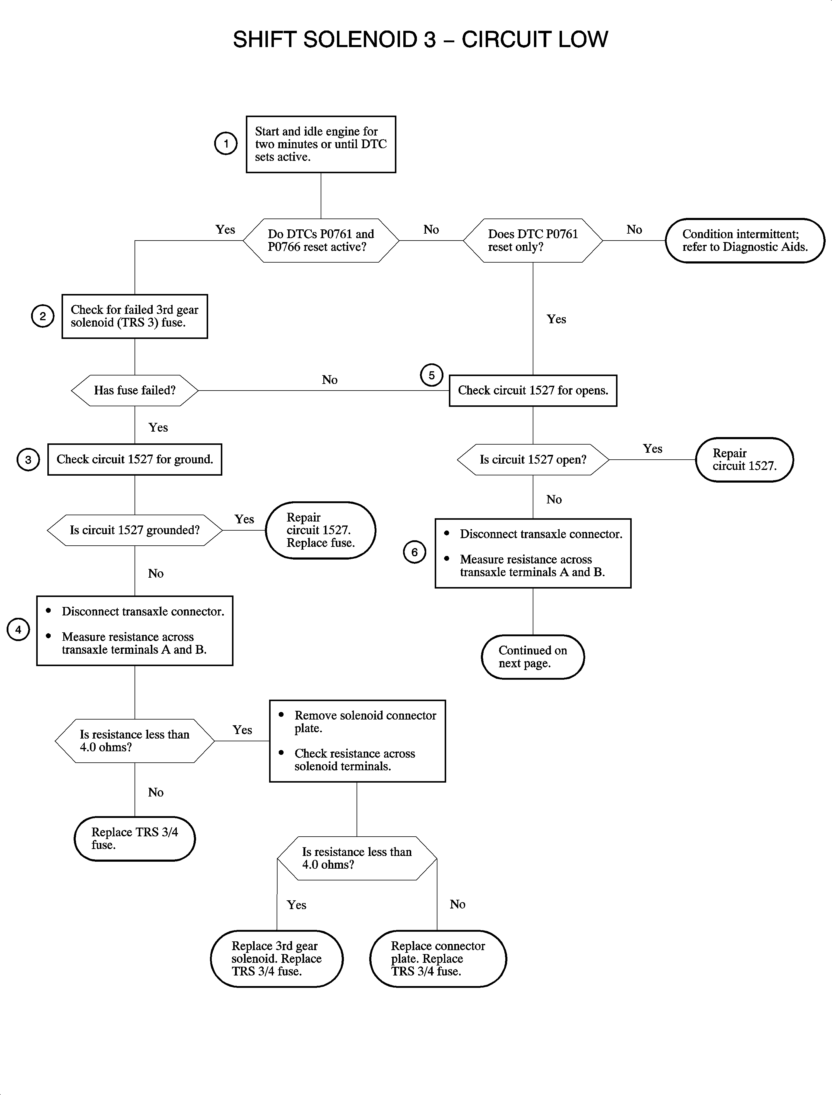
Numbered steps below refer to numbered steps on the chart.
- This step verifies the problem is still present.
- If the TRS 3/4 fuse is OK, check for battery voltage on
the fuel pump relay side of the fuse with the engine running.
- This step checks for a ground in circuit 1527. A ground in circuit 1527
will cause the TRS 3/4 fuse to fail and DTC P0761.
- An open in circuit 1527 will cause DTC P0761 to set. Check
circuit 1527 for opens.
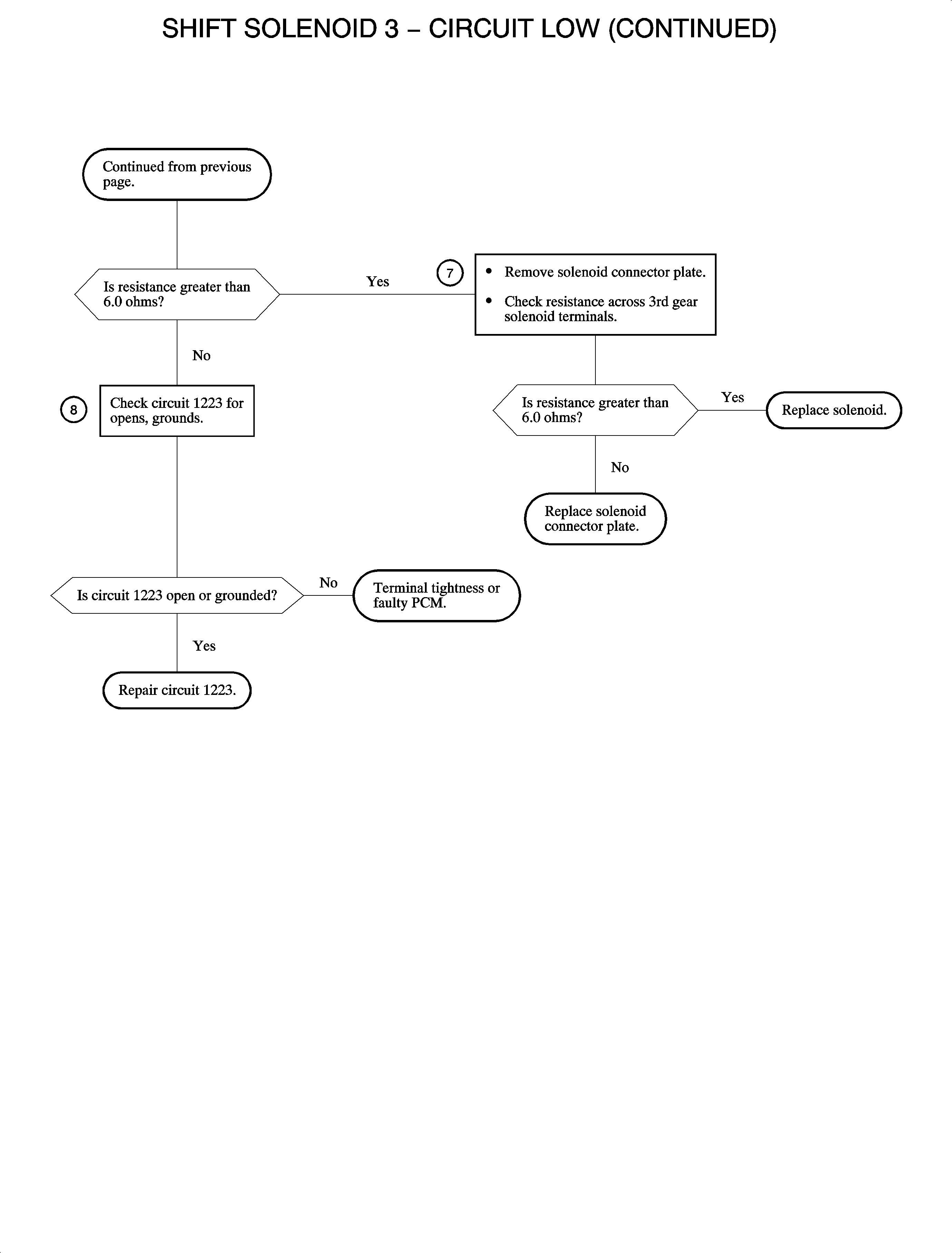
- This step will determine if a fault is in the circuit to the PCM or in
the solenoid or connector plate.
- This step will determine if the fault is in the solenoid or the connector
plate.
- An open or a ground in circuit 1223 will set DTC P0761.
This step checks circuit 1223 for opens or grounds.
Repair Verification
Monitor the DTC menu Code Status for Pass Since Code Clear and Pass This Ignition
Cycle. When both have passed, the repair is verified.
Criteria for pass:
- The engine is running.
- Power is present at the solenoids and no active faults exist for this
solenoid.
Diagnostic Aids
This DTC may set or intermittent 3rd gear starts may be caused by a poor
electrical connection at either the PCM, actuator connector plate, or UHJB terminals.
Wiggling the connectors while performing a solenoid quick test may help isolate the
problem area.
When the PCM detects a fault in the circuit, an open, ground, or short, the
PCM will open the circuit internally to protect the circuit.
- An open circuit will probably result in a DTC P0732, DTC P0741,
and DTC P0782, while a grounded circuit will result in a DTC P0732 and
DTC P0733.
- When the condition, open circuit, is present, 3rd gear starts will
occur.

