Document ID# 869956
1998 Saturn SL2/SC2/SW2
 

Fender Replacement - Front Sedan/Wagon

richpin06a Automobile Front Fender Removal

Removal Procedure

    Object Number: 865411  Size: SH
    Click here for detailed picture of above image.
  1. Remove the front wheelhouse panel outer fasteners.

  2. Object Number: 865821  Size: SH
    Click here for detailed picture of above image.
  3. Remove the front and middle fasteners on the rocker panel cover to lower the front end of the rocker panel cover.

  4. Object Number: 865045  Size: SH
    Click here for detailed picture of above image.
  5. Remove the bottom rear fender bolts.
  6. Remove the windshield frame fill panel applique by removing the bolt, then sliding it upward.

  7. Object Number: 867391  Size: SH
    Click here for detailed picture of above image.
  8. Slide the front fascia forward and disengage from the bolts to the fender.

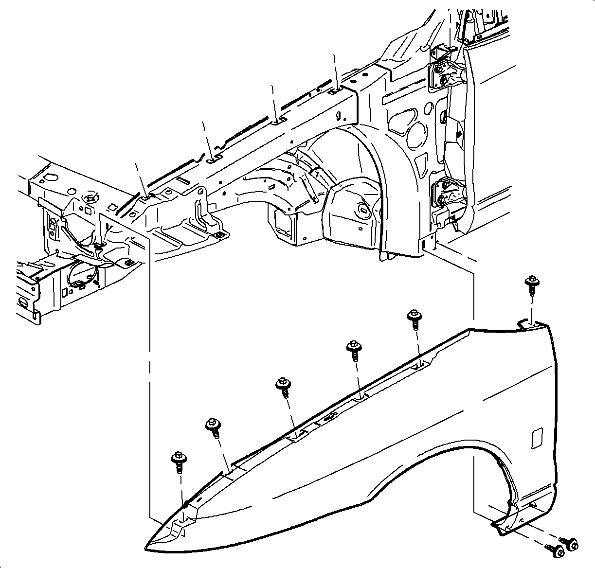
  9. Object Number: 864746  Size: SH
    Click here for detailed picture of above image.
  10. Remove the bolt from the rear upper corner of the fender to the front body hinge pillar.
  11. Remove the bolts from the fender flange to the upper motor compartment rail.
  12. Remove the 2 fender-to-fender reinforcement bracket bolts.
  13. Remove the fender.
Installation Procedure
  1. If the fender is replaced:
  2. Position the fender on the motor compartment side rail.
  3. Align the fender to the door and hood.
  4. Install the fender to the front body hinge pillar bolt.
  5. Notice

    Refer to Fastener Notice in Cautions and Notices.

  6. Install the anti-flutter bumper.
  7. Tighten

    Tighten the fender-to-front body hinge pillar bolt to 10 N·m (89 lb in).

  8. Install the bolts from the fender flange to the upper motor compartment side rail, bottom rear fender to support, and fender-to-fender reinforcement bracket.
  9. Tighten

    Tighten the fender-to-upper motor compartment side rail to 10 N·m (89 lb in).


    Object Number: 867391  Size: SH
    Click here for detailed picture of above image.
  10. Position the front fascia and slide it into place.

  11. Object Number: 865045  Size: SH
    Click here for detailed picture of above image.
  12. Install the windshield frame filler panel applique.

  13. Object Number: 865821  Size: SH
    Click here for detailed picture of above image.
  14. Install the front of the rocker panel cover with plastic fasteners.

  15. Object Number: 865411  Size: SH
    Click here for detailed picture of above image.
  16. Install the front wheelhouse panel outer fasteners.

  Document ID# 869956
1998 Saturn SL2/SC2/SW2