
Do not allow smoking or the use of open flames in the area where work on the
fuel or EVAP system is taking place. Anytime work is being done on the
fuel system, disconnect the negative battery cable, except for those tests where battery
voltage is required.Caution
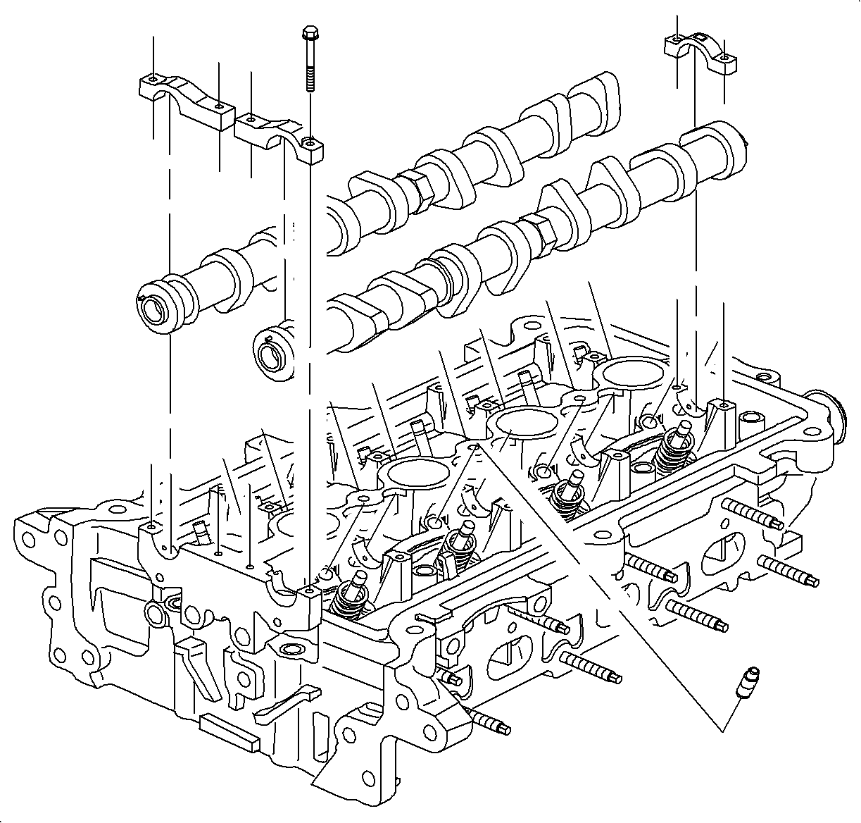
Camshafts can be removed using the
J 43299
. The
SA9127E
is
used for pressurizing the cylinder with 690 kPa (100 psi) of air to
hold the valves closed. Valve springs, caps, and stem seals can be replaced without
removing the cylinder head using the SA9124E. Rocker arm assemblies can be removed
using the
J 43223
. Refer to Camshaft and Lifter
Replacement and Valve Spring and Stem Seal Replacement In-Vehicle.Important

The engine's cooling system thermostat and water pump will not function correctly
if oil is found in the cooling system. The cooling system must be flushed and the
water pump and the thermostat's cartridge replaced.Notice


The throttle body assembly, fuel rail, injectors,
and intake manifold can be removed with the cylinder head assembly from the vehicle.Important

Use long nose pliers to remove the coolant
temperature connectors.Important



The MAP sensor does not require removal.Important

Use the SA911E, Snap-on® Tool HPC10 or
equivalent, to remove the hose clamps.Important

Catch leaking fuel in a container whenever fittings are loosened or lines are
disconnected.Caution

Installation of the wood block prior to upper
engine torque axis mount removal allows the mount to be easily installed without lifting
or jacking the powertrain.Important


The accessory drive belt idler pulley must
be removed to allow the front cover to be removed and replaced in the vehicle.Important
Cover the camshaft area whenever repairs
are not being performed to prevent foreign debris from entering the engine.Important
Inspect the 8 cam cover silicone isolators
for cracks. Replace the isolators if deterioration exists.Important

It is not necessary to remove the water pump
pulley.Important

The rear compressor bracket center hole is
slotted for ease of compressor removal and installation.Important
It is not necessary to discharge the A/C
system.Important

Ensure that the vehicle is properly supported and squarely positioned.
To help avoid personal injury when a vehicle is on a hoist, provide additional support
for the vehicle on the opposite end from which the components are being removed.Caution



Puller jaw slots are cast into damper/pulley
assembly for removal with a small 3 jaw puller if required.Important

Install the
SA9104E
with
the flat side toward the sprocket. Failure to hold the crankshaft timing sprocket
in place will cause timing chain guide damage. This tool also aligns the oil pump
gerotor during front cover installation. After the front cover assembly is loosened
and moved approximately 25.4 mm (1 in) from the engine, the crankshaft
timing gear service tool should be removed.Important

One front cover assembly attachment bolt
is located under the torque axis mount flange, above the accessory drive belt pulley.Important
The front cover assembly can be removed from
under the hood or through the wheel well.Important
Cover the front of the engine with a shop
towel to prevent debris entry into oil gallery openings and the pan.Important

Position the crankshaft 90 degrees
off top dead center to make sure the pistons will not contact the valves upon assembly.Important

The camshafts can rotate during timing chain and sprocket removal. Do not place
fingers or tools between the camshaft sprocket and chain during removal or assembly.Caution

Camshaft bearing caps are marked for proper
installation.Important

Only use a six point socket to remove the cylinder head bolts. A 12 point socket
will round off the bolt heads.Notice
Head warpage or cracking could result from
removing the bolts out of order or when the cylinder is hot.Important
Intake Side: 3, 7, 10, 6, 2
SpecificationsExhaust Side: 4, 8, 9, 5, 1

Be careful not to damage the aluminum the aluminum cylinder head and block gasket
sealing surfaces when removing the cylinder head or during cleaning.Notice