1998 Saturns
The diagnostic trouble code (DTC) logic for the inlet air temperature (IAT) and engine coolant temperature (ECT) sensors was incorrectly reversed for 1998 model year vehicles. This was due to a software programming error that mistakenly reversed the diagnostic trouble code logic.
When diagnosing 1998 vehicles with DTC P0112, P0113, P0117, and/or P0118 stored in PCM memory, refer to the revised service manual diagnostic procedures included in this bulletin.
Refer to the following table for the correct DTC description. The following table also cross references the DTCs between 1996 and 1997 vehicles versus 1998 vehicles.
DTC Description | 1996-1997 Model Year | 1998 Model Year |
IAT - Temp Out of Range - High | P0112 | P0113 |
IAT - Temp Out of Range - Low | P0113 | P0112 |
ECT - Temp Out of Range - High | P0117 | P0118 |
ECT - Temp Out of Range - Low | P0118 | P0117 |

IAT SENSOR CIRCUIT - TEMPERATURE OUT OF RANGE - LOW
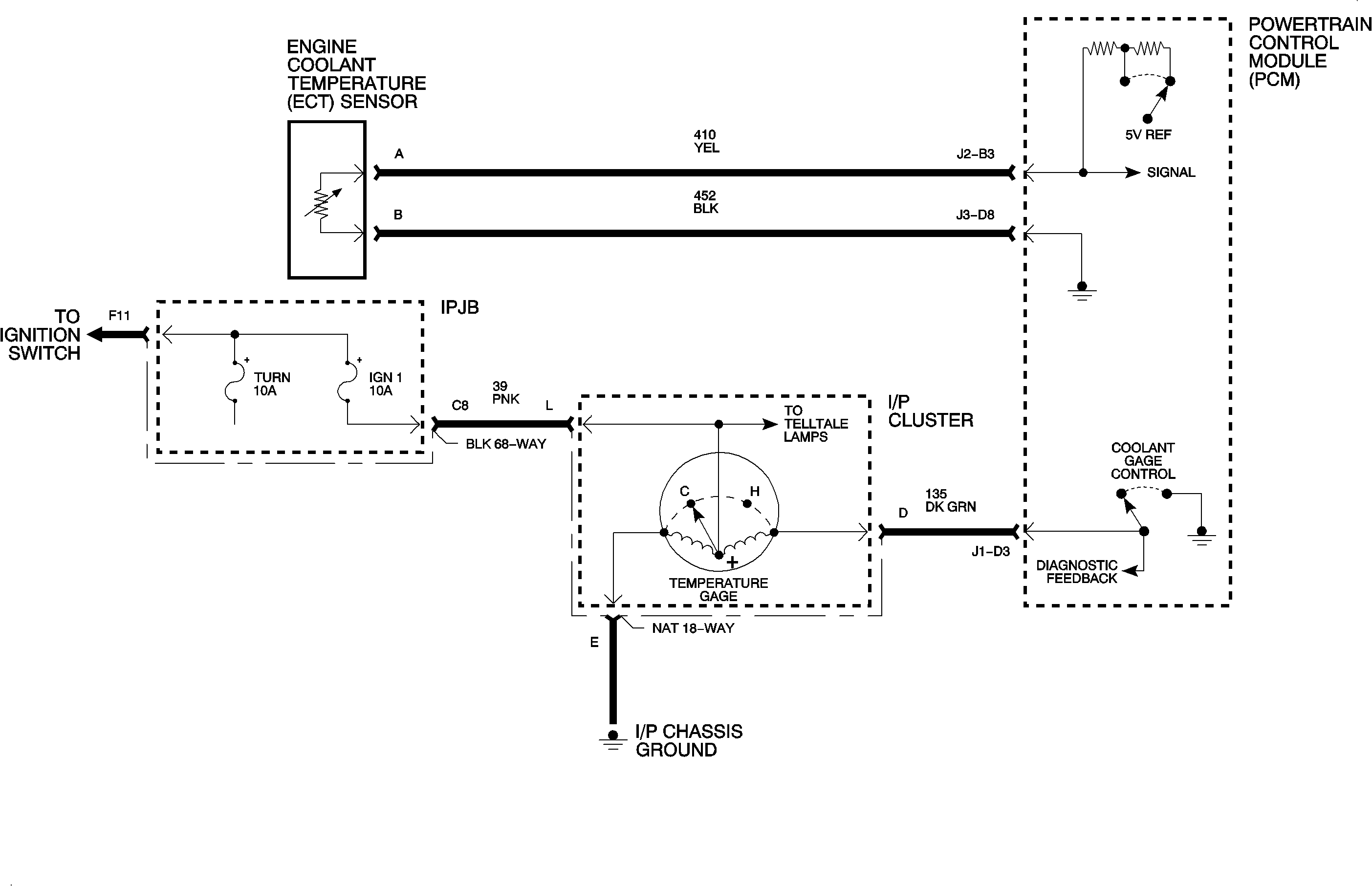
The intake air temperature (IAT) sensor is a thermistor located in the air intake passage of the air induction system on the engine. When the sensor is cold it has a high resistance, the resistance decreases as the temperature of the sensor increases. The PCM supplies a five volt signal to the sensor which is also connected to ground. The PCM reads the voltage drop on the sensor signal line to determine air temperature.
DTC PARAMETERS
DTC P0112 will set if the IAT reading is lower than -30°C (-22°F) when:
P0112 will set if conditions are met for about six seconds.
The IAT signal is continuously checked when ignition is On.Important
A short to B+ on circuit 472 will cause damage to the IAT sensor. If 472 is
found to be shorted, test sensor for proper resistive value per table at the end of
this section.Notice
DIAGNOSTIC AIDS
Refer to Description and Operation in this manual for Temperature vs. Resistance chart.


DTC P0113 IAT SENSOR CIRCUIT - TEMPERATURE OUT OF RANGE - HIGH (98 MODEL YEAR ONLY)
IAT SENSOR CIRCUIT - TEMPERATURE OUT OF RANGE - HIGH
The intake air temperature (IAT) sensor is a thermistor located in the air intake passage of the air induction system on the engine. When the sensor is cold it has a high resistance: the resistance decreases as the temperature of the sensor increases. The PCM supplies a five volt signal to the sensor which is also connected to ground. The PCM reads the voltage drop on the sensor signal line to determine air temperature.
DTC PARAMETERS
DTC P0113 will set if the IAT reading is over 125°C (257°F) when:
P0113 will set if conditions are met for about six seconds.

DTC P0117 - ECT SENSOR CIRCUIT - TEMPERATURE OUT OF RANGE - LOW (98 MODEL YEAR ONLY)

ECT SENSOR CIRCUIT - TEMPERATURE OUT OF RANGE - LOW
The engine coolant temperature sensor (ECT) is a thermistor located in the lower coolant passage of the engine's cylinder head. When coolant temperature is cold the sensor has a high resistance, as temperature increases the resistance of the sensor decreases. The PCM provides a five volt signal to the coolant sensor, which is also connected to PCM ground. The PCM reads the voltage drop on the signal line to determine coolant temperature.
DTC PARAMETERS
DTC P0117 will set if the ECT reads below -35°C (-31°F) when:
DIAGNOSTIC AIDS
Refer to Description and Operation in this section for Temperature vs. Resistance Chart.
Start engine and observe ECT reading on Scan tool. Normal operation is for the ECT t rise smoothly to approximately 88°C (190°F), as thermostat opens then stabilizes.
Visually inspect ECT wires for damage. Wiggle wires while observing Scan tool ECT reading and watch for a sudden shift in temperature.
ECT may be compared to IAT temperature, with a Scan tool if engine has cooled overnight at ambient temperature. They should be within four degrees of each other with ignition On - engine Off.
TO AVOID DANGER OF BEING BURNED, DO NOT REMOVE THE COOLANT SURGE TANK CAP WHILE
THE ENGINE, RADIATOR AND TANK ARE HOT. SCALDING FLUID AND STEAM CAN BE BLOWN OUT UNDER
PRESSURE.Caution
To verify coolant sensor integrity, install a thermometer in the coolant surge tank. Which engine running and A/C Off, the temperature in the bottle and the Scan tool reading for engine coolant temperature should be within 15°F of each other.
If a DTC P0117 is active, the temperature gage will read half.Important


DTC P0118 - ECT SENSOR CIRCUIT - TEMPERATURE OUT OF RANGE - HIGH (98 MODEL YEAR ONLY)
ECT SENSOR CIRCUIT - TEMPERATURE OUT OF RANGE - HIGH
The engine coolant temperature sensor is a thermistor located in the lower certain passage of the engine's cylinder head. When coolant temperature is cold the sensor has a high resistance, as temperature increases the resistance of the sensor decreases. The PCM provides a five volt signal to the coolant sensor, which is also connected to PCM ground. The PCM reads the voltage drop on the signal line to determine coolant temperature. This sensor is used for fuel/ignition control, hot/low coolant light, coolant gage and fan.
DTC PARAMETERS
DTC P0118 will set if the ECT reads over 140°C (284°F) when the engine has been running over 10 seconds. P0118 will set after five seconds.
The ECT signal is continuously checked when ignition is On.Important
DIAGNOSTIC AIDS
Refer to Description and Operation in this section for Temperature vs. Resistance Chart.
Start engine and observe ECT reading on Scan tool. Normal operation is for the ECT to rise smoothly to approximately 88°C (190°CF), as thermostat opens then stabilizes.
The PCM will turn the cooling fan On if a ECT diagnostic trouble code is set.
ECT may be compared to IAT temperature with Scan tool if engine has cooled overnight at ambient temperature. They should be within four degrees of each other with ignition On and engine Off.
TO AVOID THE DANGER OF BEING BURNED, DO NOT REMOVE THE COOLANT SURGE TANK CAP
WHILE THE ENGINE, RADIATOR AND TANK ARE HOT SCOLDING FLUID AND STEAM CAN BE BLOWN
OUT UNDER PRESSURE.Caution
The verify coolant sensor integrity, install a thermometer in the coolant surge tank. with engine running and A/C Off, the temperature in the bottle and the Scan tool reading for ECT should be within 15°F of each other.
Engine cooling fan also comes on if engine coolant temperature exceeds 106°C (223°F).
If a DTC P0118 is active, the temperature gage will read half.Important

|
GM bulletins are intended for use by professional technicians,
NOT a "do-it-yourselfer". They are written to inform these
technicians of conditions that may occur on some vehicles, or to
provide information that could assist in the proper service of a
vehicle. Properly trained technicians have the equipment,
tools, safety instructions, and know-how to do a job properly and
safely. If a condition is described, DO NOT assume that the
bulletin applies to your vehicle, or that your vehicle will have
that condition. See your GM dealer for information on whether
your vehicle may benefit from the information. |
|
WE SUPPORT VOLUNTARY TECHNICIAN CERTIFICATION |
© Copyright General Motors Corporation. All Rights Reserved.