SA9179NE Dial Indicator

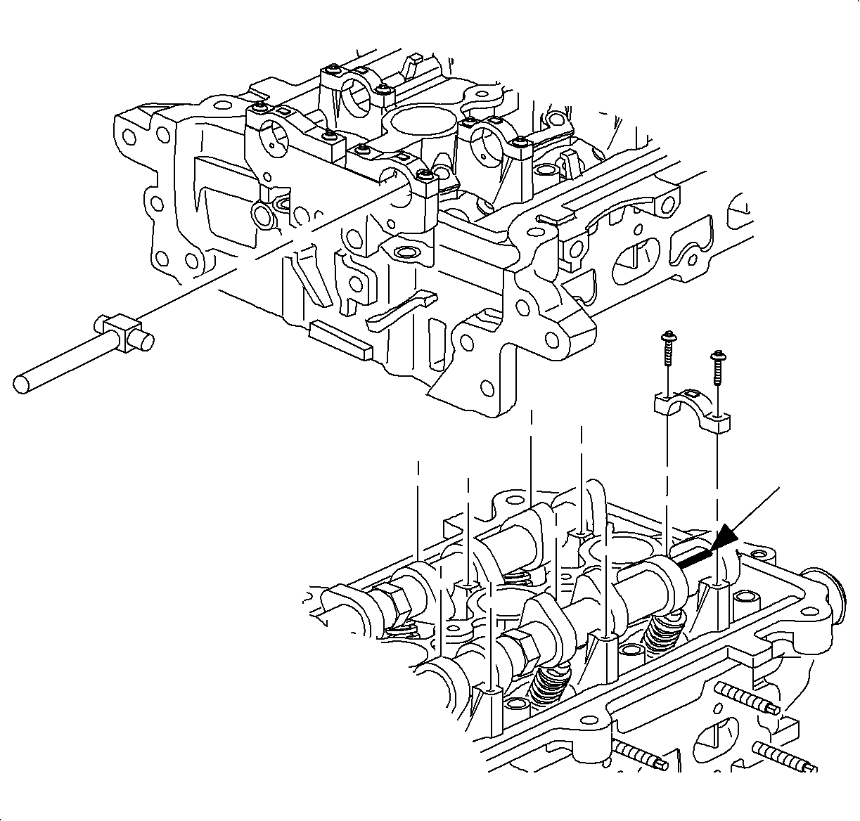
Bolt threads should be lightly oiled prior
to installation. The holes must be clean and free from oil and debris.Important
Tighten camshaft bearing cap-to-head (LL0) to 14 N·m (10 lb in).







Plastigage®, or equivalent can be used
to measure the bearing clearance.Important