Document ID# 895129
1998 Saturn SL2/SC2/SW2
 

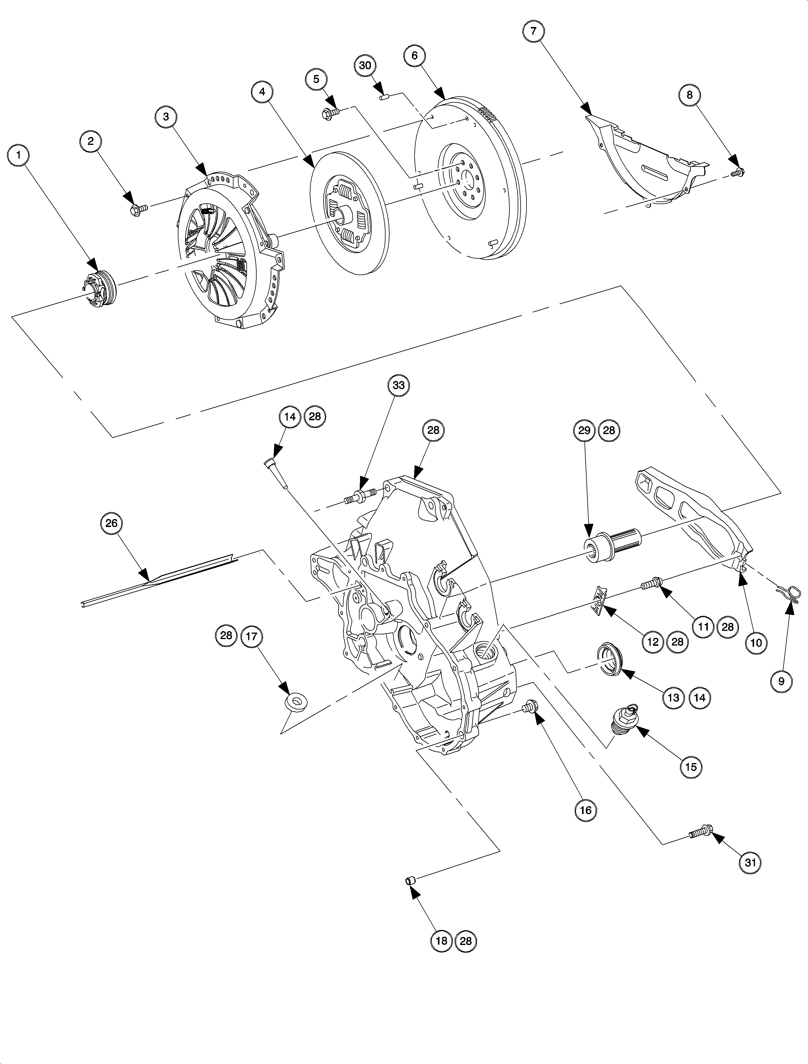
FIGURE Clutch Housing & Clutch Components -- Component Locations(c)


Object Number: 890161  Size: FP
Click here for detailed picture of above image.
(1)Bearing Assembly - Clutch Release
(2)Bolt/Screw - Clutch Press Plate
(3)Cover Assembly - Clutch Press
(4)Disc Assembly - Clutch Driven
(5)Bolt/Screw - Flywheel
(6)Flywheel Assembly
(7)Cover Assembly - Flywheel Housing
(8)Bolt/Screw - Flywheel Housing Cover
(9)Retainer - Clutch Fork
(10)Fork - Clutch
(11)Stud - Clutch Fork Ball
(12)Stabilizer - Clutch Fork
(13)Seal Assembly - Front Wheel Drive Shaft (Housing)
(14)Gasket Kit - Manual Transaxle
(15)Sensor Assembly - Vehicle Speed
(16)Plug Assembly - Trans Fluid Drain
(17)Magnet - Transaxle
(18)Pin - Case to Housing Hollow Dowel
(26)Trough - Manual Trans Oil
(28)Housing Assembly - Clutch
(29)Bearing Assembly - Input Shaft
(30)Pin - Clutch Cover Dowel
(31)Bolt/Screw - Engine/Trans
(33) Stud/Bolt - Trans Case/Housing
(33)Stud/Bolt - Trans Case/Housing

  Document ID# 895129
1998 Saturn SL2/SC2/SW2