Document ID# 1204339
1998 Saturn SL2/SC2/SW2
 

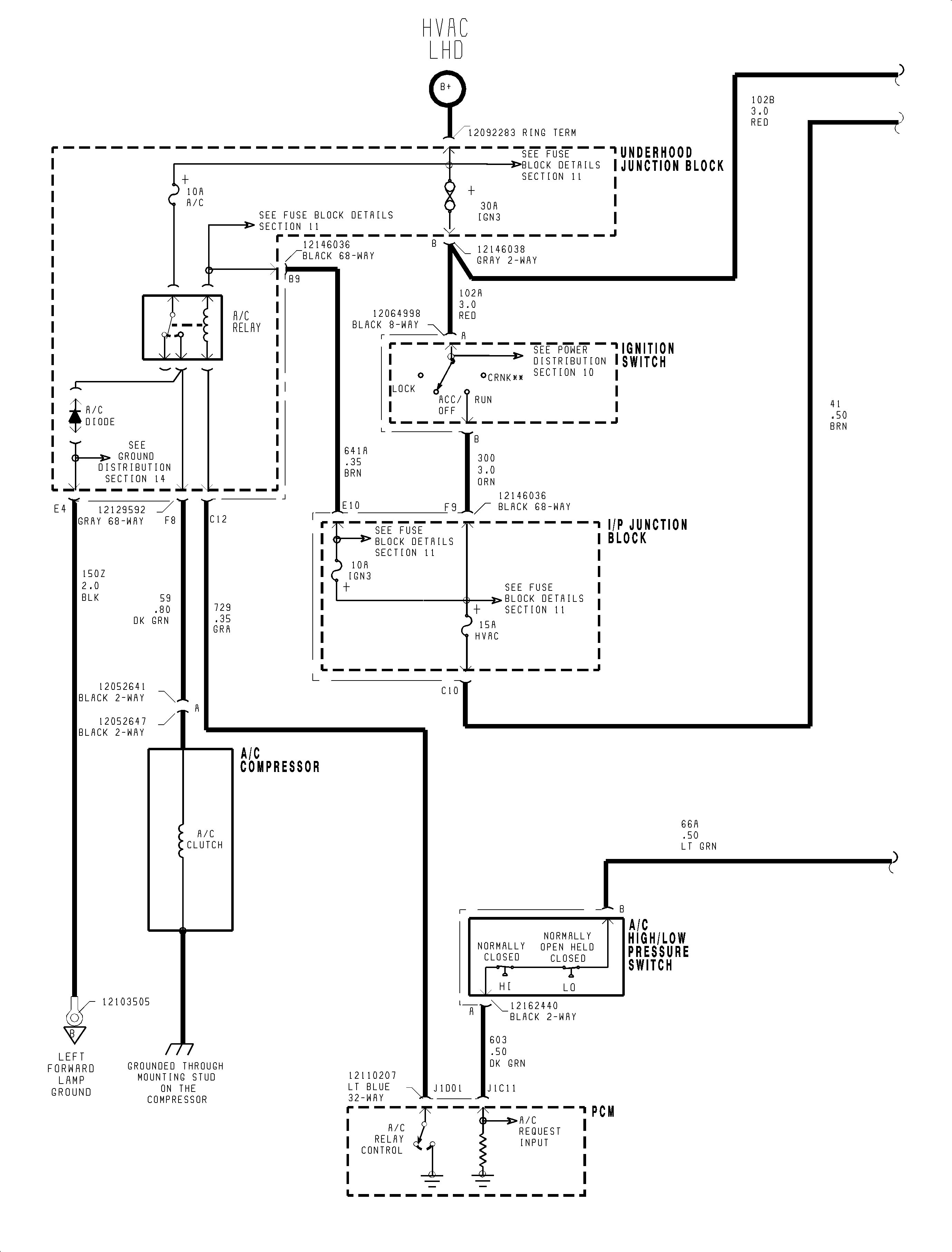
FIGURE 1 of 2(c)


Object Number: 1199919  Size: FP
Click here for detailed picture of above image.

  Document ID# 1204339
1998 Saturn SL2/SC2/SW2