Document ID# 1199783
1998 Saturn SL2/SC2/SW2
 

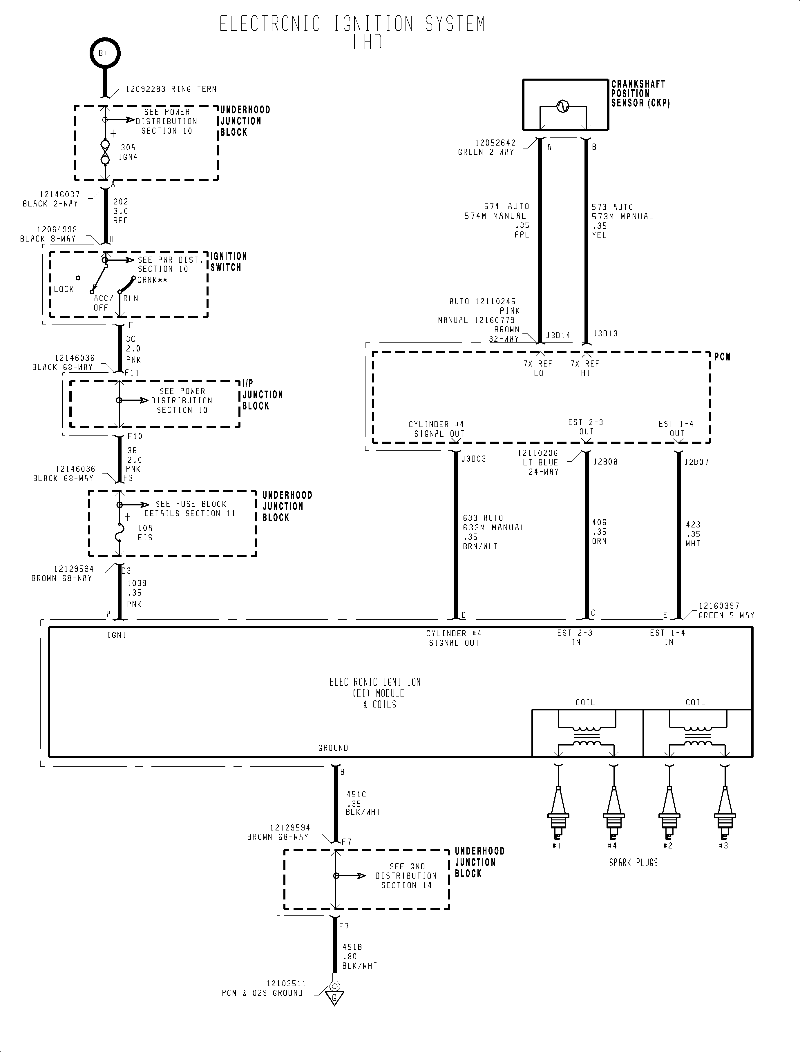
FIGURE Ignition System (1998-1999)(c)


Object Number: 907550  Size: FP
Click here for detailed picture of above image.

  Document ID# 1199783
1998 Saturn SL2/SC2/SW2