Document ID# 1201125
1998 Saturn SL2/SC2/SW2
 

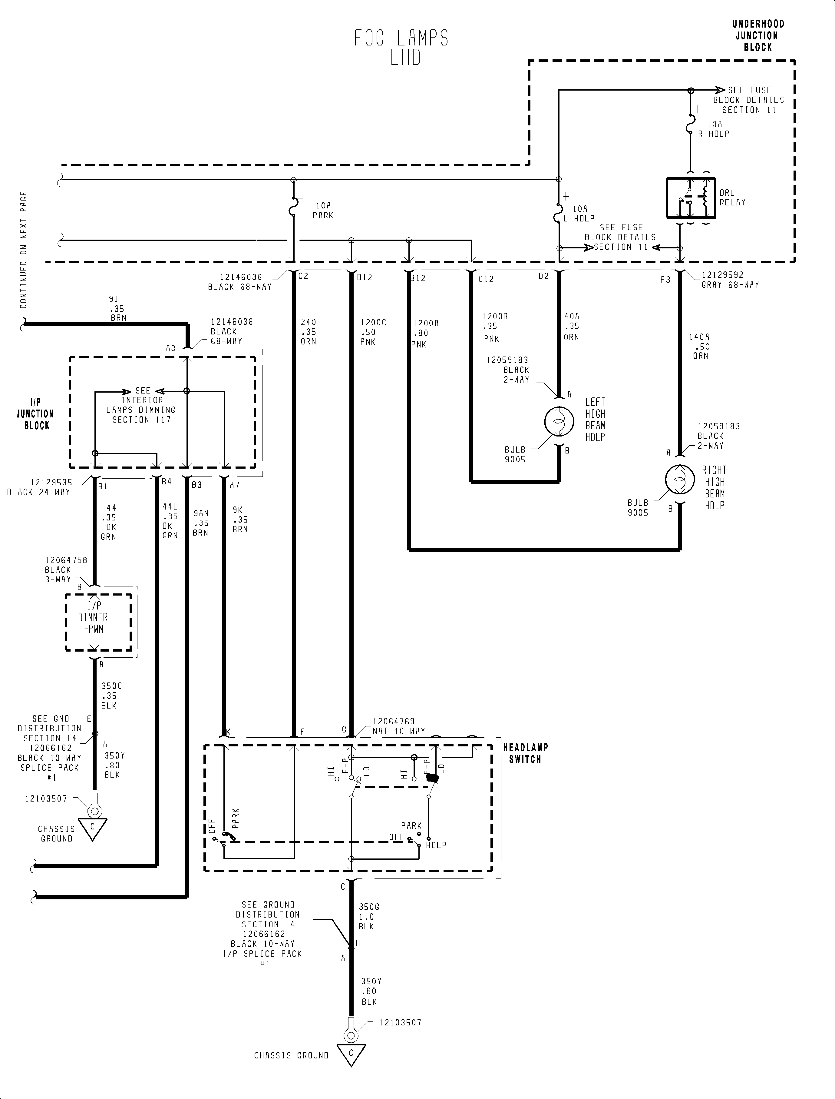
FIGURE Fog Lamp System Cont'd (1998-1999)(c)


Object Number: 907971  Size: FP
Click here for detailed picture of above image.

  Document ID# 1201125
1998 Saturn SL2/SC2/SW2