DTC P0742
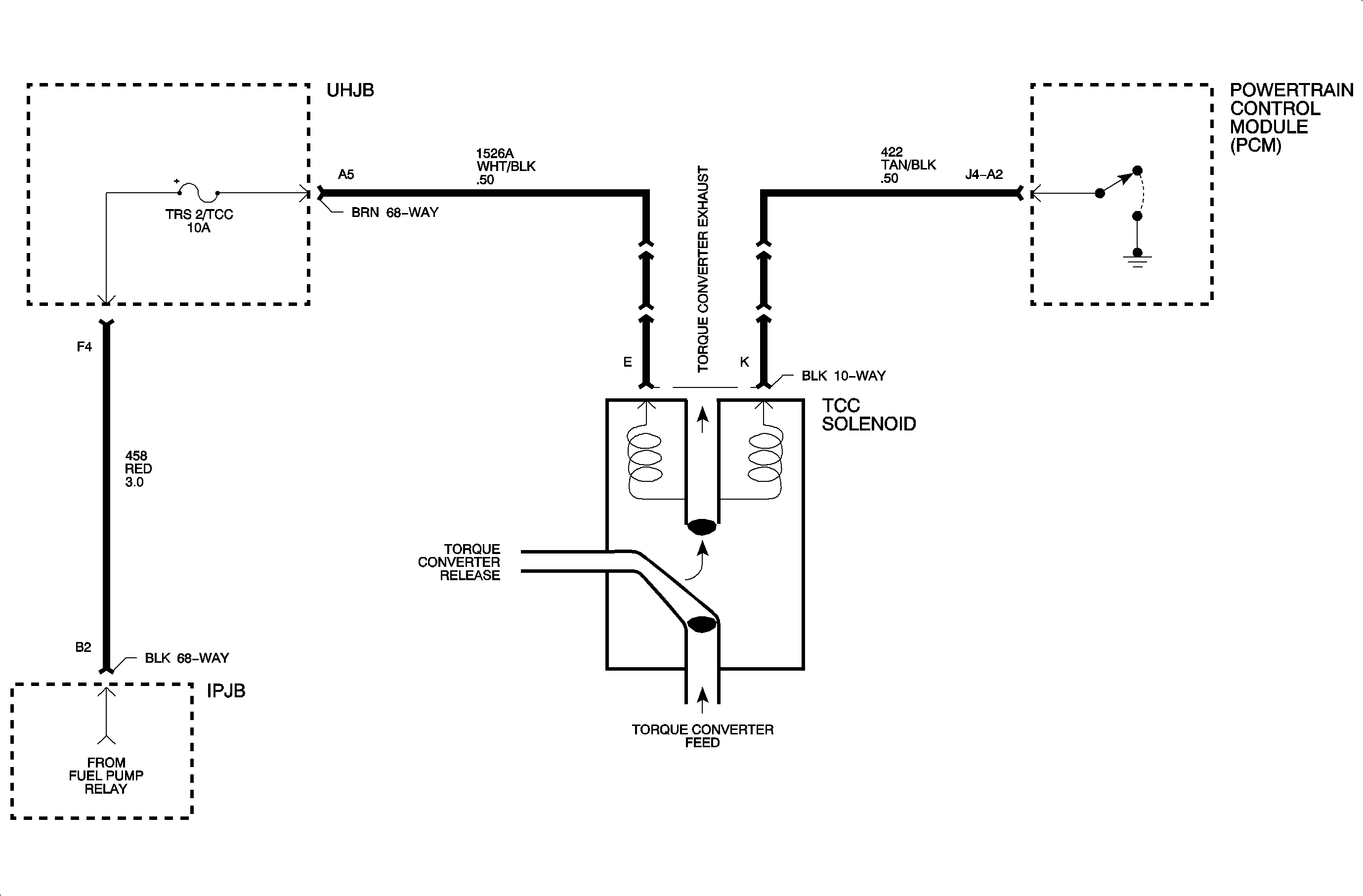
Circuit Description

When torque converter clutch (TCC) is commanded OFF, the engine speed to input
shaft speed ratio (delta) is monitored to assure TCC is OFF. TCC stuck ON indicates
that TCC was commanded OFF but the actual ratio (delta) across the torque converter,
engine speed/turbine shaft speed, is 1 to 1 or TCC is ON. TCC is turned
OFF by opening circuit 422 at the PCM/TC. A TCC stuck ON will usually cause
the engine to stall when reverse is selected.
Conditions for Setting the DTC
DTC P0742 is set when the PCM has detected the following conditions for more
than 4 seconds twice per ignition cycle:
- Engine speed is greater than 908 RPM.
- Input shaft speed is between 224-2,800 RPM.
- TCC is commanded to release for more than 0.25 seconds.
- Load value, engine torque, is greater than 100.
- Speed delta, engine speed -- turbine shaft speed, across torque converter
is less than 84 RPM.
Test Description
Numbered steps below refer to numbered steps on the chart.
- Check for DTCs P0740 and P0744. They must be eliminated first as a possible
cause of DTC P0742.
Important
To check solenoid operation, command the
solenoid quick test using the scan tool.
- Check the solenoid operation. Use the solenoid quick check in the test section
located at the end of the DTC charts. The solenoid quick test will PWM the solenoids
at a set rate. Listen and compare the noise of the TCC gear actuator to that of other
solenoids. The noise of all should be similar.
- The TCC release circuit may be leaking at the seal ring on the input shaft.
This would allow release pressure to leak off to the converter out circuit or lube
circuit. Also a remote possibility is the ball pressed into the input shaft is loose.
Repair Verification
Monitor the DTC menu Code Status for Pass Since Code Clear and Pass This Ignition
Cycle. When both have passed, the repair is verified.
Criteria for pass:
- The TCC is commanded OFF.
- The speed ratio across the torque converter is less than 1:1 for 12 seconds.
Diagnostic Aids
- When the PCM detects a fault in the circuit, an open, ground or short,
the PCM will open the circuit internally to protect the circuit.
- The TCC may be detected as stuck on when the transaxle is put into drive
range. If TCC is stuck on at start-up, a stall may occur, and after a restart
it will result in a 3rd or 4th gear start.
