
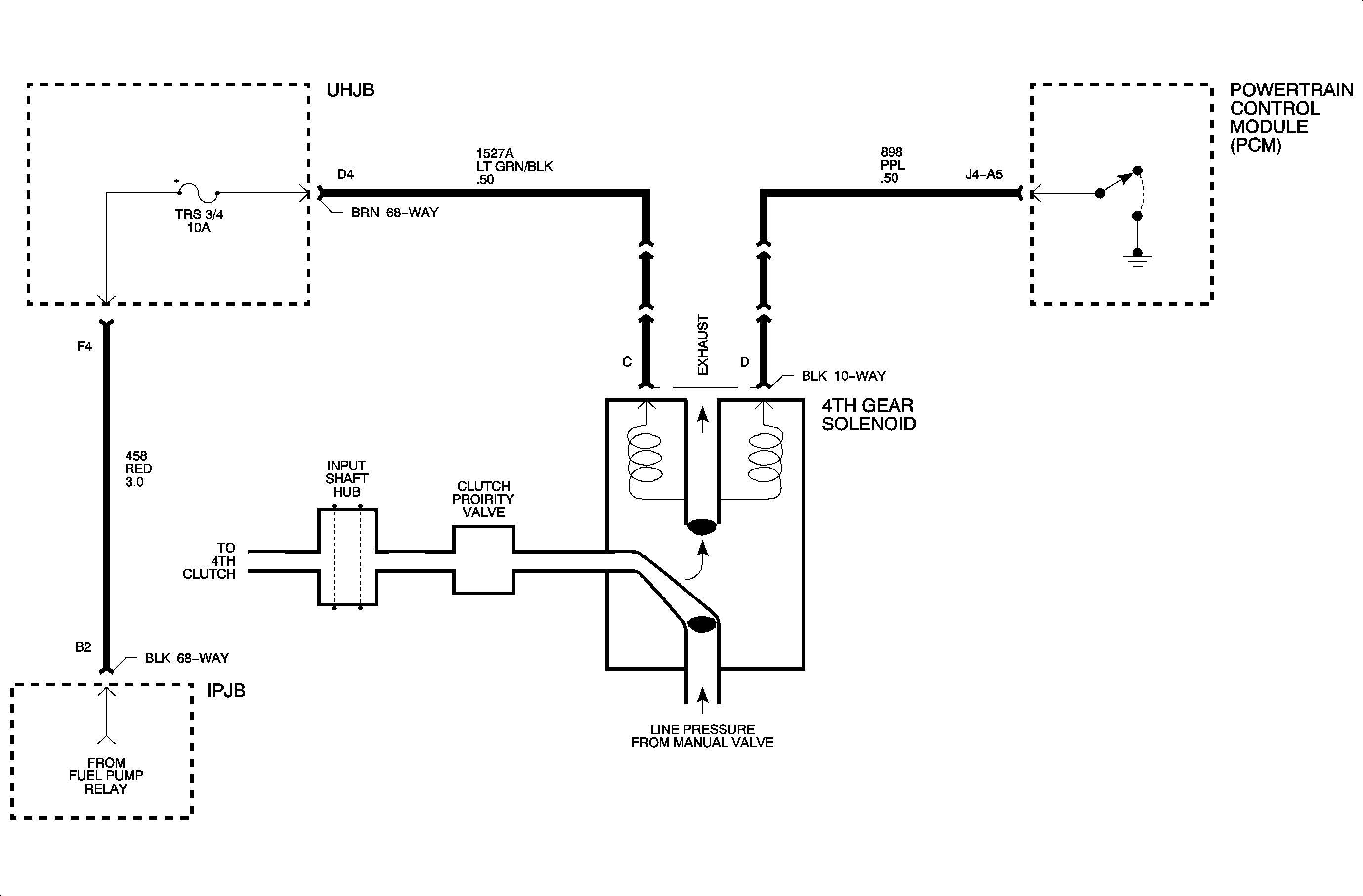
Fourth clutch is applied when circuit 898 is opened at the PCM. When the PCM grounds the circuit, the voltage is monitored at terminal J4A05 to check for proper circuit conditions.
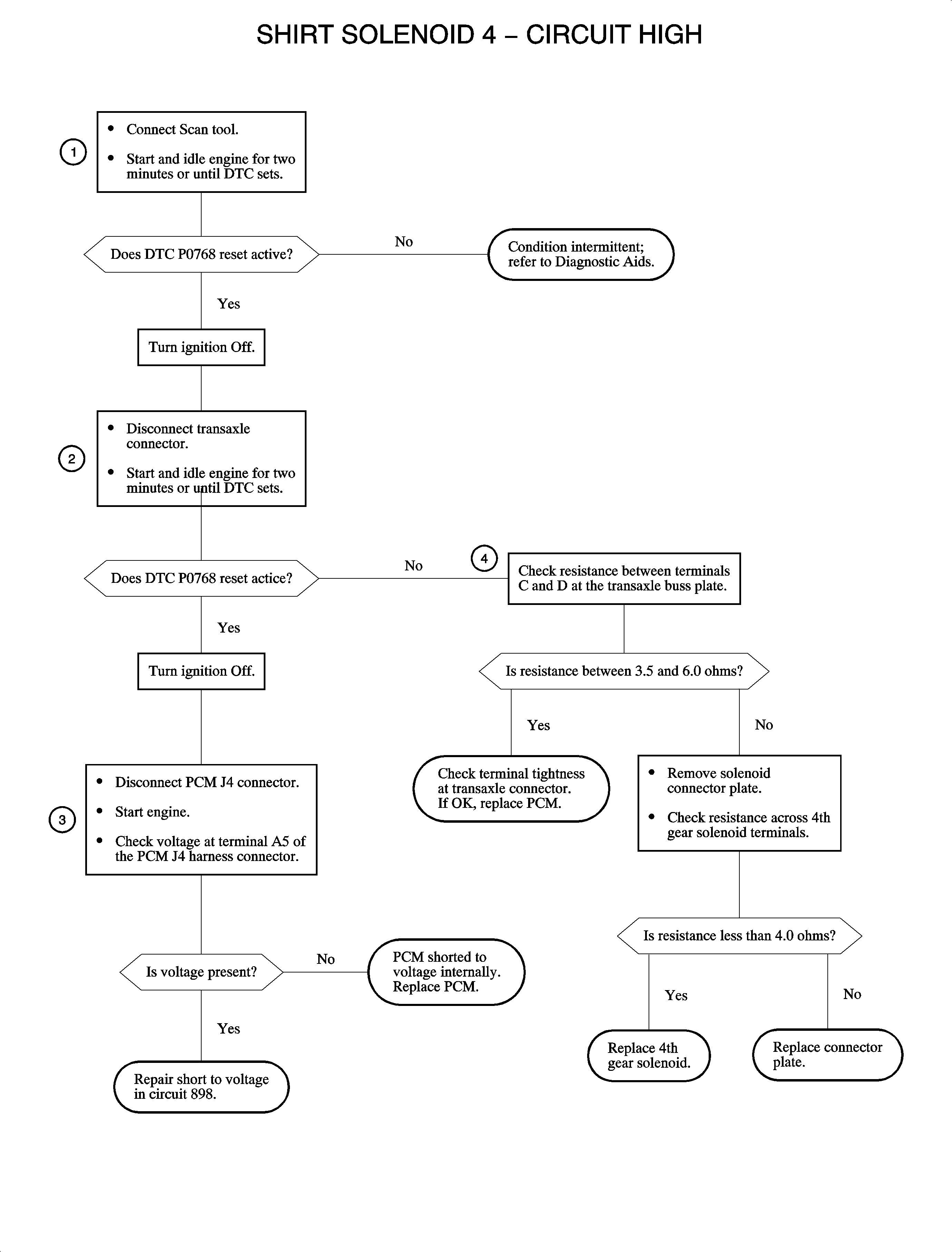
DTC P0768 is set when the PCM has detected voltage monitored at terminal J4A05, circuit 898, is greater than 2-2.5 volts when the 4th gear solenoid is switched ON electrically by the PCM, twice per ignition cycle.
Numbered steps below refer to numbered steps on the chart.
Monitor the DTC menu Code Status for Pass Since Code Clear and Pass This Ignition Cycle. When both have passed, the repair is verified.
Criteria for pass:
When the PCM detects a fault in the circuit, an open , ground, or short, the PCM will open the circuit internally to protect the circuit.
Conditions that set this DTC will probably result in a DTC P0732, P0733, P0734, P0741, P0769, and P0783. This condition will also cause 4th gear starts.
