
Caution
Do not allow smoking or the use of open flames in the area where work on the
fuel or EVAP system is taking place. Anytime work is being done on the
fuel system, disconnect the negative battery cable, except for those tests where battery
voltage is required.
- Disconnect negative battery cable and remove coolant bottle cap.
Notice
The engine's cooling system thermostat and water pump will not function correctly
if oil is found in the cooling system. The cooling system must be flushed and the
water pump and the thermostat's cartridge replaced.
- Drain engine coolant. Drains are located at right front corner of the engine
block and right hand side of radiator.
- Remove air induction system inlet hose or air cleaner assembly. Cover
the throttle body opening with a shop towel.

- Disconnect electrical and vacuum connectors where applicable:

- Disconnect accelerator cable assembly.
Caution
Catch leaking fuel in a container whenever fittings are loosened or lines are
disconnected.
- Disconnect the fuel line.
- Fuel pressure can be bled into an approved container using the
SA9127E
.

- Disconnect the fuel supply line. Fuel line can be tied to brake master cylinder
lines to prevent fuel spill.
- Disconnect the upper radiator hose at cylinder head outlet and deaeration
hose at engine.

Important
It is not necessary to discharge the A/C
compressor during powertrain removal.
- Remove A/C compressor, if equipped, bolts and tie the compressor to the front
crossbar. Leave both A/C mounting brackets mounted on the engine.
Important
Pinch the plastic connector tabs and pull
on the line. Wrap the end of the lines in a clean shop towel to prevent debris
entry.
- Disconnect the automatic transaxle cooler lines at transaxle and plug.

- Disconnect the automatic transaxle shifter cable.

- Manual transaxle shifter cables and clutch hydraulic system.
- Remove the 2 hydraulic damper to clutch housing stud nuts and slide damper
and bracket assembly off studs.
- Rotate clutch actuator 1/4 turn counter clockwise while pushing
toward housing to disengage the bayonet connector and remove from clutch housing.
- Tie clutch hydraulic system to battery tray. Do not kink or pinch the
nylon hydraulic lines.

- Using safety wire
or plastic tie straps, tie the radiator, condenser, and fan module to the front
vehicle crossbar. The safety wire or plastic tie straps can be routed around the
two fan shroud supports and around the crossbar.

Caution
Ensure that the vehicle is properly supported and squarely positioned.
To help avoid personal injury when a vehicle is on a hoist, provide additional support
for the vehicle on the opposite end from which the components are being removed.
- Jack or raise the vehicle squarely on a hoist. Reference the lift instructions
for positioning the vehicle correctly on the hoist.
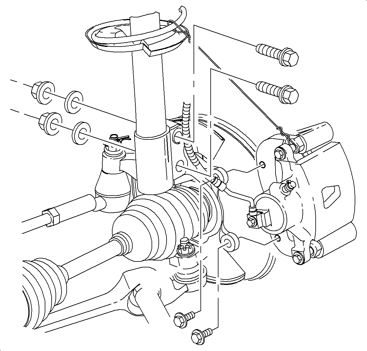
- Remove the front wheels and shield attachment fasteners from the cradle.

- Remove the brake caliper bracket attachment bolts,
2 on each side, and tie the caliper assemblies to the shock tower
springs using safety wire or plastic tie straps. Shock assemblies and springs remain
with the body.
- Remove both strut to knuckle attachment bolts, 2 on each side,
and allow the knuckle and hub assembly to remain with the cradle. The stabilizer bar
remains attached to the cradle and lower control arms.

- Disconnect the lower radiator and heater return hoses
at the engine. Use the
SA9412G
, Snap-On®
Tool HCP10, or equivalent.
- Disconnect the heater inlet hose at the front of the dash or engine.
- Disconnect the steering shaft and power steering pressure switch electrical
connector at the gear, if applicable.

Notice
Intake and exhaust manifold stud threads can be damaged during removal and must
be replaced when a new machined cylinder head casting is installed.
- Disconnect the engine front exhaust pipe at the exhaust manifold, catalytic
converter, and powertrain stiffening bracket. Refer to Front Exhaust Pipe Removal
in Engine Exhaust.
- Remove the automatic transaxle flywheel cover and torque converter to
flexplate bolts, if applicable.

- Disconnect the electrical and vacuum connections:
- Starter -- solenoid and battery feed
- Generator -- field and battery feed
- Oil pressure sensor
- Knock sensor
- Crankshaft position sensor
Important
The EVO solenoid connector is also accessible
from underhood on vehicles with the SOHC (L24) engine.
- EVO solenoid, if equipped
- Vehicle speed sensor
- EVAP canister purge solenoid
- PCM and oxygen sensor
- ABS wheel sensor connector grounds, if equipped

- Unclip the brake lines from the rear side of the cradle.

- Carefully remove the electrical harness from the engine.
Lower the vehicle enough on the hoist to lay the electrical harness on top of the
underhood junction block and battery cover.
Important
Installation of the wood block prior to upper
engine torque axis mount removal allows the mount to be easily installed without lifting
or jacking the powertrain.
- Place a 1 in. x 1 in. x 2 in.
long block of wood between the torque strut and cradle.

- Remove the 3 right-hand, upper engine torque
axis mount to front cover nuts and the 2 mount to midrail bracket nuts, allowing
the powertrain to rest on the block of wood.

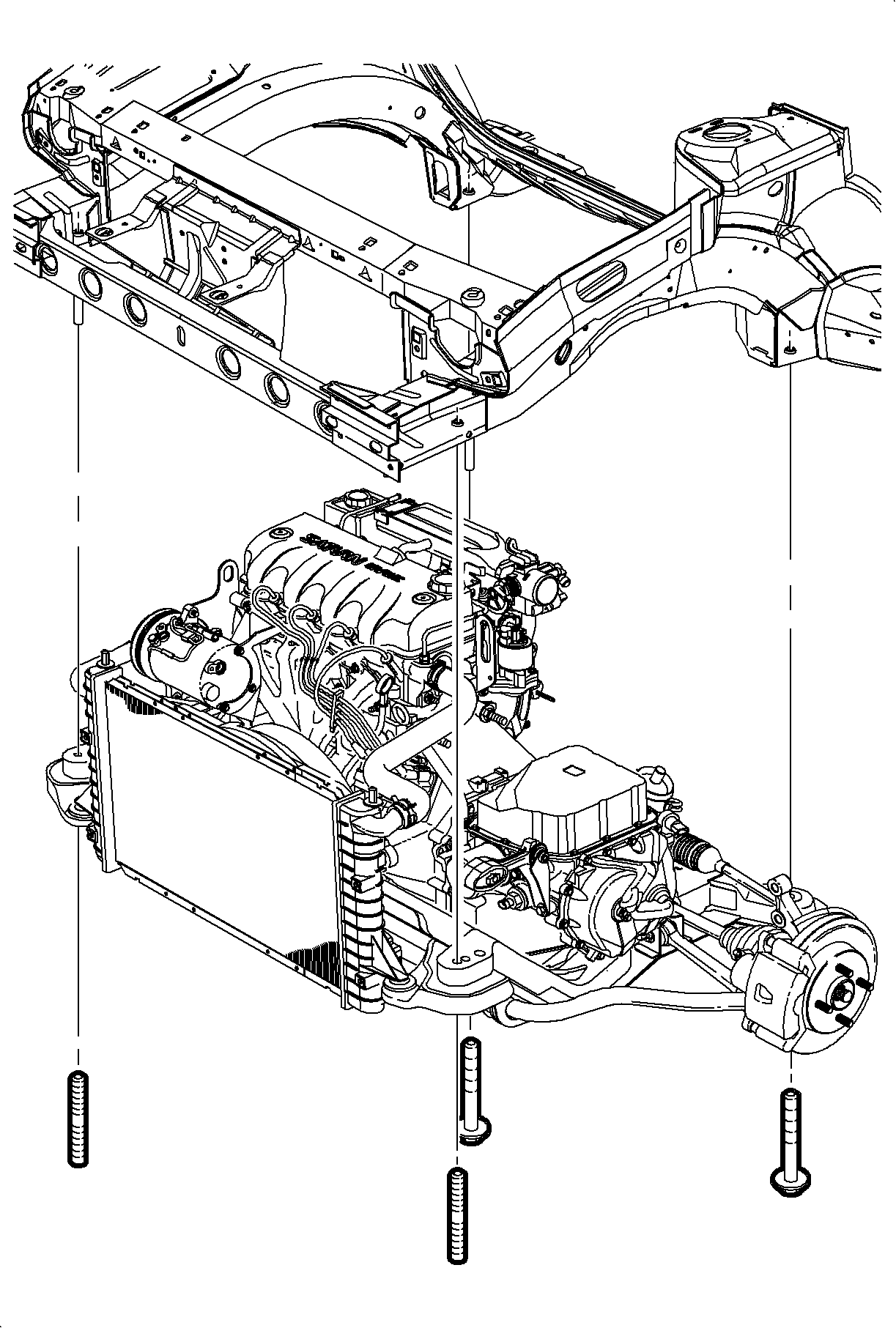
- Place the powertrain support dolly under the cradle.
Use 2 4 in. x 4 in. x 36 in.
blocks of wood to support the cradle on the dolly.
- Remove the 2 right-hand, front engine mount torque strut brackets
to cradle nuts.
- Remove the 4 cradle attachment bolts and carefully lower the complete
powertrain assembly from the vehicle or raise the vehicle off of the powertrain assembly.

- Remove spark plug wire ends at ignition module.
- Remove power steering pump with support bracket, if equipped. Attach pump
to frame or steering gear in an upright position with safety wire.
- Attach the
SA9105E
or equivalent to the engine service support brackets for powertrain support.

- Place a 1/2 in. x 1 in. x 3 in.
block of wood under the axle shaft. Remove intake manifold support brace (DOHC
[LL0]) and three axle shaft bracket support bolts and allow bracket to rotate rearward.
It may be necessary to lift the engine slightly to allow for clearance between
the drive axle shaft bracket and starter support bracket.

- Place a 4 in. x 4 in. x 6 in.
long block of wood under the transaxle housing for support.

- The engine strut bracket and torque strut are removed as an assembly. The engine
may have to be lifted slightly for engine strut assembly removal.

Important
Manual transaxles require the engine be moved
approximately 100 mm (4 in) forward in the cradle for input shaft
disengagement.
- Remove the 4 transaxle housing attachment bolts.
Important
Before shipment, all fluids must be drained
from the engine, and all openings plugged or capped.
- Carefully lift the engine assembly from the frame and mount it on an engine
stand for repairs or on a transportation pallet.

- Install clutch disc and pressure plate, if applicable. The yellow dot on the
pressure plate should be aligned near the mark on the flywheel. Use the
SA9145T
to align the clutch disk for
the manual transaxle input shaft alignment. When installing an automatic transaxle,
the yellow dot on the torque converter must be at the 6 o'clock position
when the first flexplate to torque converter bolt is tightened.
Tighten
- Tighten the flexplate-to-converter to 70 N·m (52 lb ft).
- Tighten the clutch pressure plate-to-flywheel to 25 N·m (19 lb ft).

- Carefully lift the engine using the
SA9105E
and install it in the frame aligning the transaxle with the engine
using two threaded 10 mm x 6 in. long guide pins in
the lower attachment holes. Remove the 4 in. x 4 in. x 6 in.
wood block if used, from under transaxle.
Tighten
- Tighten the lower transaxle bolts to 130 N·m (96 lb ft).
- Tighten the upper transaxle bolts to 90 N·m (66 lb ft).
- Tighten the stiffening bracket-to-engine/transaxle to 54 N·m
(40 lb ft).
- Install the front engine mount assembly.
TightenTighten the front mount-to-engine block to 55 N·m
(41 lb ft).

Important
Install the torque strut bracket-to-frame
nuts, but do not tighten until the upper midrail mount is installed.
- Install the engine mount torque strut-to-frame bracket, if removed.
TightenTighten the engine strut-to-frame bracket and engine
strut-to-engine bracket to 70 N·m (52 lb ft).

Important
Installation of the wood block prior to the
upper engine torque axis mount installation allows the mount to be easily installed
without lifting or jacking the powertrain.
- Place a 1 in. x 1 in. x 2 in.
long block of wood between the torque strut and frame.

- Attach the axle shaft and starter bracket.
Tighten
- Tighten the axle shaft intermediate bracket-to-block to 55 N·m
(41 lb ft).
- Tighten the starter support bracket-to-axle shaft bracket to 30 N·m
(22 lb ft).
- Position the powertrain and frame on the support dolly. Use two 4 in x 4 in x 36 in
blocks of wood to support the frame.

- Carefully lift the powertrain into the chassis and install the 4 frame attachment
bolts. Use two 9/16 in x 18 in long guide pins in forward
frame holes next to attachment bolts for aligning frame with chassis.
TightenTighten the frame-to-body to 205 N·m
(151 lb ft).
- Attach the brake lines to frame and install steering shaft U-joint and
bolt.
TightenTighten the steering shaft U-joint bolt to 47 N·m
(35 lb ft).
- Install the following sensors, if applicable, and position the electrical
harness around the engine and attach the following connectors from under the vehicle:
- Starter solenoid
Tighten
Tighten the starter solenoid terminal to 5 N·m
(44 lb in).
- Generator/starter battery positive terminal
Tighten
Tighten the generator/starter battery positive terminal
to 10 N·m (89 lb in).
- Oil pressure sending unit
Tighten
Tighten the oil pressure sending unit to 45 N·m
(33 lb ft).
- Knock sensor
Tighten
Tighten the knock sensor to 25 N·m
(19 lb ft).
- Crankshaft position sensor
Tighten
Tighten the crankshaft position sensor 9 N·m
(80 lb in).
- Canister purge solenoid-to-block
Tighten
Tighten the canister purge solenoid-to-block to
22 N·m (16 lb ft).
- Wiring harness (PCM ground)
Tighten
Tighten the wiring harness--PCM ground to 10 N·m
(89 lb in).
- Wiring harness to transaxle case/engine block
Tighten
Tighten the wiring harness-to-transaxle case/engine
block to 25 N·m (18 lb ft).
- EVO solenoid, if equipped
- Vehicle speed sensor
- Attach ABS wheel sensors, if equipped
- Install the engine stiffening bracket.
TightenTighten the engine stiffening bracket to 47 N·m
(35 lb ft).
Notice
Do not bend the front exhaust pipe hanger attached to the engine stiffening
bracket when servicing the front exhaust pipe and/or catalytic convertor. Bending
the bracket may cause premature failure.
- Install new exhaust front pipe/catalytic convertor gaskets and front pipe.
Tighten
- Tighten the exhaust pipe to manifold to 31 N·m (23 lb ft).
- Tighten the exhaust pipe bracket to stiffener bracket to 47 N·m
(35 lb ft).
- Tighten the exhaust pipe to support bracket to 31 N·m (23 lb ft).
- Tighten the exhaust pipe to catalytic converter to 48 N·m
(35 lb ft).
- Attach the heater, lower radiator, and coolant fill hoses and remove the
radiator safety wire/tie straps.
- Install the cylinder block coolant drain plug and close the radiator drain.
TightenTighten the cylinder block drain plugs to 35 N·m
(26 lb ft).
- Install the knuckle attachment bolts to strut.
TightenTighten the knuckle attachment bolts-to-strut to
200 N·m (148 lb ft).
- Install the brake calipers.
TightenTighten the brake caliper bolt to 110 N·m
(81 lb ft).
- Install the shift cables.
- Lower the vehicle.
Important
Use new shift cable retainers whenever removed.
- Install the clutch hydraulic slave cylinder, damper and shift cables.
- Install the automatic transaxle cooler lines.
TightenTighten the A/C compressor brackets-to-head/block
to 25 N·m (19 lb ft).
- Install the A/C compressor assembly.
- Install the accessory drive belt. Ensure that the belt is properly aligned
in the pulley grooves.
Tighten
- Tighten the A/C compressor-to-front bracket to 54 N·m (40 lb ft).
- Tighten the A/C compressor-to-rear bracket to 30 N·m (22 lb ft).

Notice
To prevent engine front cover and mount damage, the three engine mount to engine
front cover nuts must be tightened down uniformly.
- Install the 2 engine mounts to midrail bracket nuts first. Next, install the
3 engine mount to front cover nuts. Remove the wood block from under the torque
strut after the upper mount assembly is installed.
Tighten
- Tighten the engine mount-to-front cover nuts to 50 N·m (37 lb ft).
- Tighten the engine mount-to-midrail bracket nuts to 50 N·m
(37 lb ft).
- Torque the 2 torque strut bracket-to-frame/nuts.
TightenTighten the strut bracket-to-frame nuts to 50 N·m
(37 lb ft).
- Install automatic transaxle torque converter to flexplate bolts and dust
cover.
Tighten
- Tighten the flexplate-to-converter to 70 N·m (52 lb ft).
- Tighten the transaxle dust cover to 10 N·m (89 lb in).
- Install the tires and splash shields.
TightenTighten the wheel nuts to 140 N·m (103 lb ft).
- Attach the following electrical and vacuum connectors where applicable:
- The engine coolant temperature (ECT) sensor
- The oxygen sensor
- The idle air control valve (IAC)
- The injector connectors
- The ignition coil - 2 connectors
- The throttle position (TP) sensor
- The MAP sensor
- The EGR valve
- The A/C compressor, if equipped
- The brake booster hose at intake manifold or booster
- The ground connectors, located at transaxle attachment studs and rear
side of block above starter.
- Attach the automatic transaxle connectors:
- Neutral safety/selector switch - 3 connectors
- PRNDL switch - two connectors
- Valve body actuator connector
- Transaxle turbine speed sensor
- Back-up light switch, manual transaxle
- Temperature sensor

Caution
Whenever fuel line connectors are disconnected, lubricate steel line male ends
with clean engine oil. Holding the steel line, firmly press on the female
coupler until a click is heard, then pull back to confirm engagement. Make sure the
fuel line connects are fully seated. Pinched, kinked, or damaged fuel lines must be
replaced.
- Install the accelerator cable and attach fuel supply and return line quick
connector.
- Install the upper radiator and deaeration hoses.
Important
Check the upper cooling module grommets for
binding or misalignment. The cooling module retaining pins MUST BE centered in
the grommets supported by the L brackets. If the grommets are pinched, loosen the
L brackets and reposition them.
Important
Tighten the L bracket fasteners and check
the cooling module for freedom of movement. IT IS EXTREMELY IMPORTANT THAT THE
COOLING MODULE BE ABLE TO MOVE FREELY.
- Install the air induction system, PCV valve and fresh air hoses. Refer to Induction
System section in this service manual for air induction assembly procedures.
- Install the battery cables, positive cable first.
TightenTighten the battery terminal bolts to 17 N·m
(13 lb ft).
- Check oil pan drain plug and fill engine with new oil.
TightenTighten the oil pan drain plug to 37 N·m
(27 lb ft).
- Reset the "Change Oil Soon" telltale lamp. Refer to "Resetting Change
Oil Soon Telltale Lamp" in Lubrication .
- Fill with coolant. Use only a non-phosphate ethylene glycol-based antifreeze.
Important
The vehicle must be level when filling with
coolant.
- Prime the fuel system:
- Cycle the ignition ON for 5 seconds and then OFF for 10 seconds.
- Repeat step 35.1 twice.
- Crank the engine until it starts, maximum starter motor cranking time
is 20 seconds.
- If engine does not start, repeat steps 35.1-35.3 .
- Start the engine and check for leaks.
- Perform a 3 mile road test.
- Fill the cooling system surge bottle to the FULL COLD line and check for
leaks after the engine has been tested.