Document ID# 1201117
1998 Saturn SL2/SC2/SW2
 

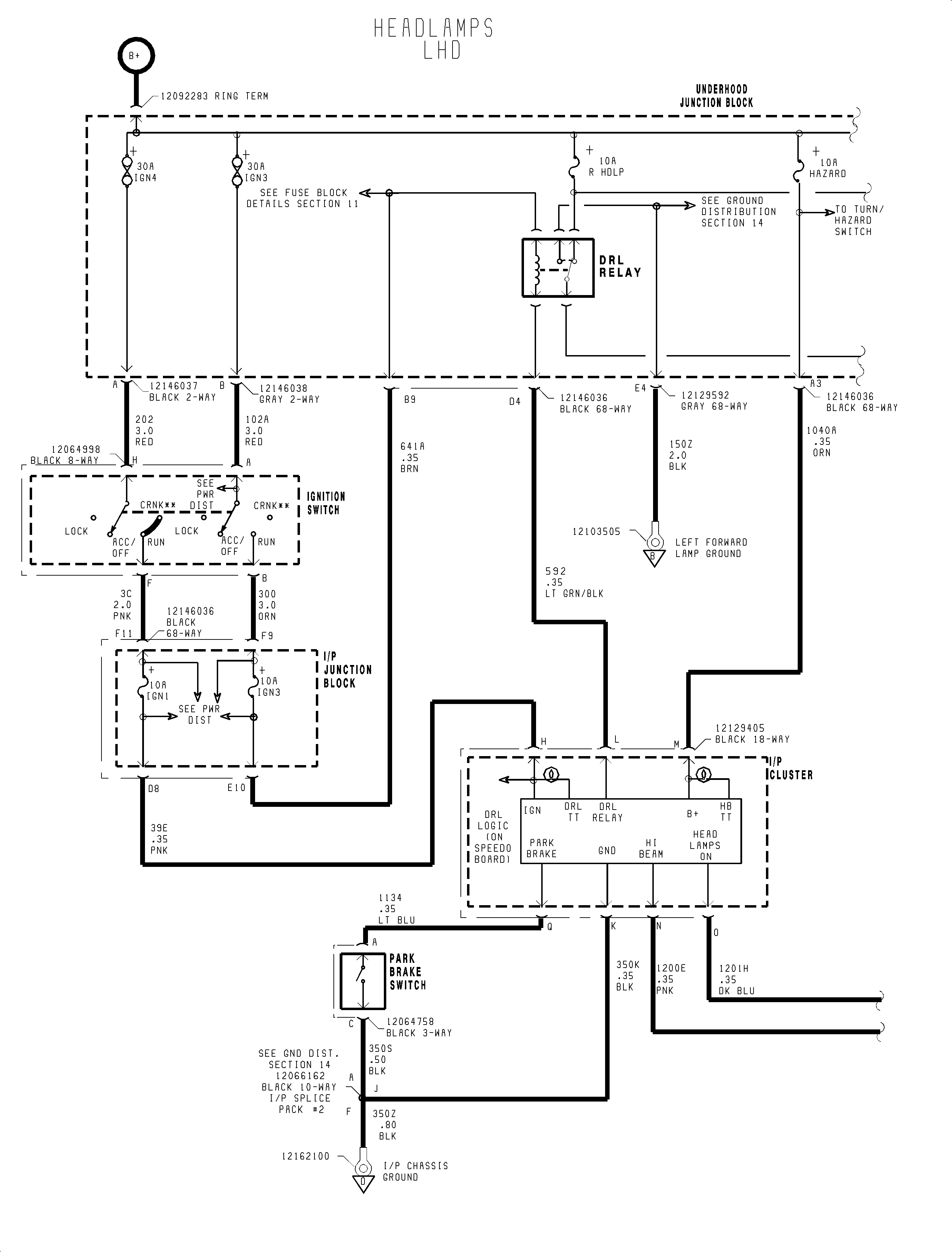
FIGURE Headlamps(c)


Object Number: 907959  Size: FP
Click here for detailed picture of above image.

  Document ID# 1201117
1998 Saturn SL2/SC2/SW2