DTC P0746
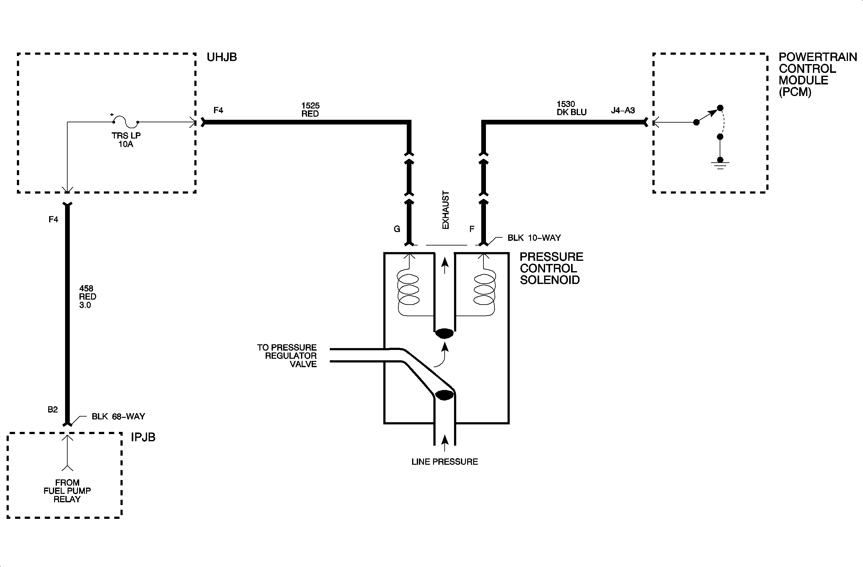
Circuit Description

During normal driving modes the PCM/TC adapts line pressure to prevent clutch
slip and harsh shifts. This is accomplished by modulating the pressure control solenoid
ground, 1530, to raise or lower pressure. An open circuit equals high pressure. A
grounded circuit equals low pressure. When the PCM opens the circuit, the voltage
is monitored to check for proper circuit conditions.
Conditions for Setting the DTC
DTC P0746 is set when the PCM has detected voltage monitored at terminal J4A03,
circuit 1530, is less than 2-2.5 volts when the pressure control
solenoid is switched OFF electrically by the PCM, twice per ignition cycle.
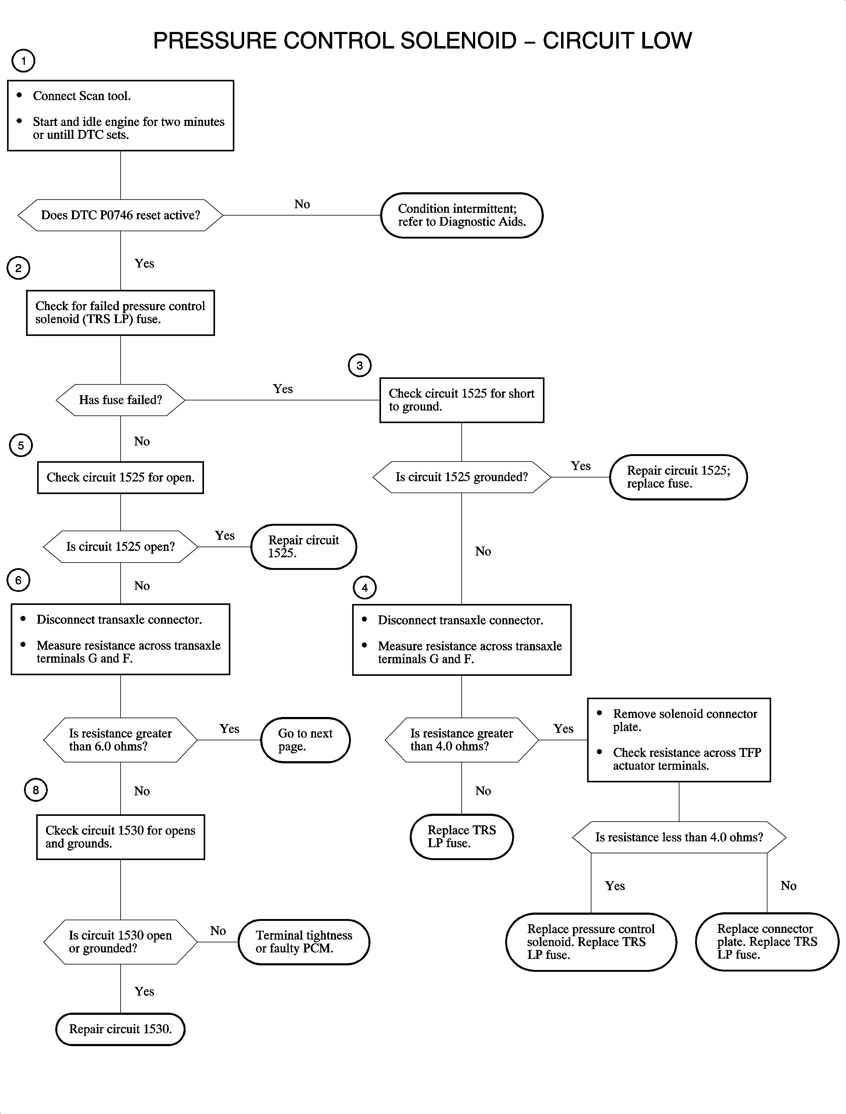
Test Description
Numbered steps below refer to numbered steps on the chart.
- This step verifies the problem is still present.
- If the TRS LP fuse is OK, check for battery voltage on the fuel pump relay
side of the fuse with the engine running.
- This step checks for a ground in circuit 1525. A ground in circuit 1525
will cause the TRS LP fuse to fail and set DTC P0746.
- A faulty solenoid or connector plate could have blown the TRS LP fuse.
This step checks for low resistance.
- An open in circuit 1525 will cause DTC P0746 to set. Check
circuit 1525 for opens.
- This step will determine if a fault is in the circuit to the PCM, or in
the solenoid or connector plate.
- This step will determine if the fault is in the solenoid or the connector
plate.
- An open or a ground in circuit 1530 will set DTC P0746.
This step checks circuit 1530 for opens or grounds.
Repair Verification
Monitor the DTC menu Code Status for Pass Since Code Clear and Pass This Ignition
Cycle. When both have passed, the repair is verified.
Criteria for pass:
- The engine is running.
- Power is present at the solenoids and no active faults exist for this
solenoid.
Diagnostic Aids
- This DTC may set or intermittent harsh upshifts may be caused by a poor
electrical connection at either the PCM, solenoid connector plate, or UHJB actuator
terminals. Wiggling the connectors while performing an actuator quick test may help
isolate the problem area.
- No 2nd, 3rd, 4th gear, DTCs P0732, P0733, or P0734 are set if the
circuit is grounded, low line. The vehicle will not shift out of first.
- If the circuit is open that equals high line pressure.
When the PCM detects a fault in the circuit, an open, ground, or short, the
PCM will open the circuit internally to protect the circuit.

