Document ID# 1199524
1998 Saturn SL2/SC2/SW2
 

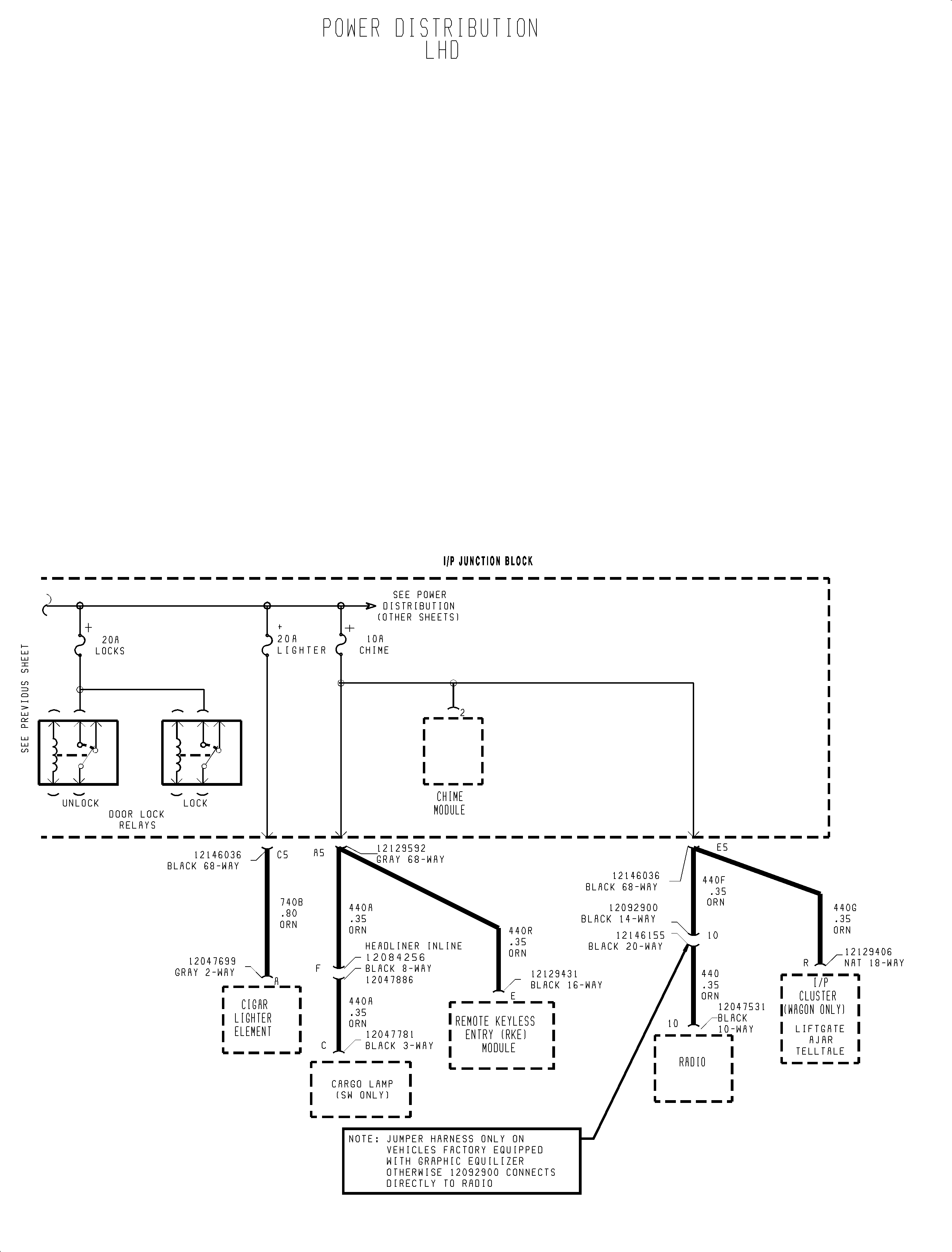
FIGURE 11 of 15(c)


Object Number: 907187  Size: FP
Click here for detailed picture of above image.

  Document ID# 1199524
1998 Saturn SL2/SC2/SW2