DTC P0733
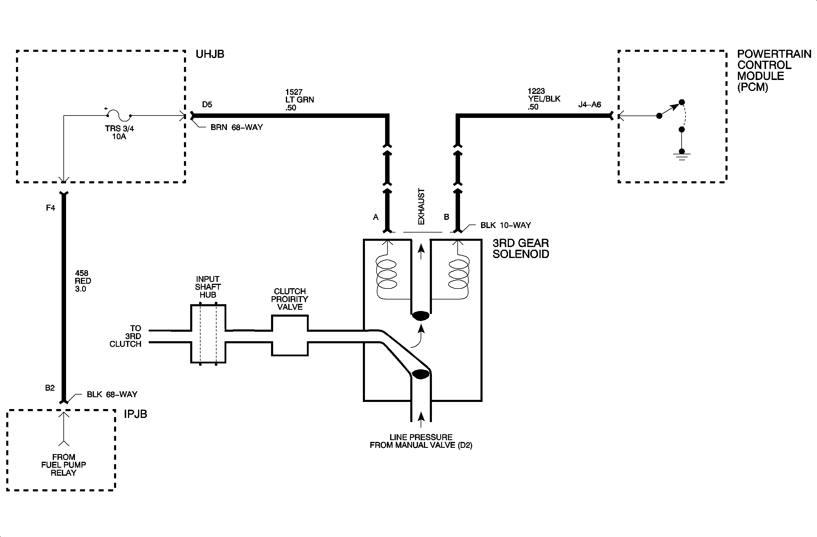
Circuit Description

During normal driving modules the PCM/TC adapts line pressure to prevent clutch
slip and harsh shifts. If 3rd clutch is slipping after pressure is adapted
to the high line, it is determined that there is no 3rd gear. Third gear clutch
is applied by opening circuit 1223 at the PCM.
Conditions for Setting the DTC
DTC P0733 can be set while driving in 3rd, steady state, or during an up or
down shift to 3rd, and when the PCM/TC has detected the following conditions twice
per ignition cycle:
- Vehicle speed is above 5 km/h (3 mph).
- Input shaft speed is greater than 224 RPM.
- No input shaft or vehicle speed, or noise DTCs.
- High line pressure has been commanded.
- The ratio counter is 255 at steady state or the shift failure counter
is greater than 100 during a downshift or upshift.
Test Description
Numbered steps below refer to numbered steps on the chart.
- Check for DTCs P0705, P0706, P0708, P0745, P0749, P0761, P0763,
P0764, P0766, P0768, P0769, or P0783. They must be eliminated first as a possible
cause of DTC P0733.
- Check the solenoid operation. Use the solenoid quick check in the test
section located at the end of the DTC charts. The actuator quick test will PWM the
solenoids at a set rate. Listen and compare the noise of the 3rd gear actuator
to that of the other solenoids. The noise of all should be similar.
Important
To check solenoid operation, command the
solenoid quick test using the scan tool.
- Check the pressure regulator valve operation. Use the pressure test in the test
section at the end of the DTC charts. Make sure the pressure increases in correct
increments during the pressure test. If the pressure is low, repair the pressure condition
first.
- For pressure apply points, refer to Test Section Diagnosis. Apply compressed
air with the rubber nozzle on the air gun. This step determines if there is an internal
problem.
- If there is a cross leak to another clutch, there may also be another
DTC set indicating a gear stuck ON. This may help diagnose and pinpoint the source
of a leak.
- As pressure is applied and released, the clutch plates should also apply
and release. Observe oil holes in the clutch housing. If oil has darkened and contains
clutch plate material, the clutches have probably failed.
Repair Verification
Monitor the DTC menu Code Status for Pass Since Code Clear and Pass This Ignition
Cycle. When both have passed, the repair is verified.
Criteria for pass:
- Steady state in 3rd gear with no slip for 0.4 seconds.
- No slip for 0.1 seconds with the engine torque greater than 30 counts.
Diagnostic Aids
- When the PCM detects a fault in the circuit, open, ground, or short, the
PCM will open the circuit internally to protect the circuit.
- It could be a hot or cold only condition. If the condition is intermittent,
try to reproduce the conditions in the MALF table to reset the DTC.
- If a DTC indicating 4th gear is stuck on, DTC P0733 will
also set. Repair the 4th gear stuck on DTC first.
