Document ID# 1201421
1998 Saturn SL2/SC2/SW2
 

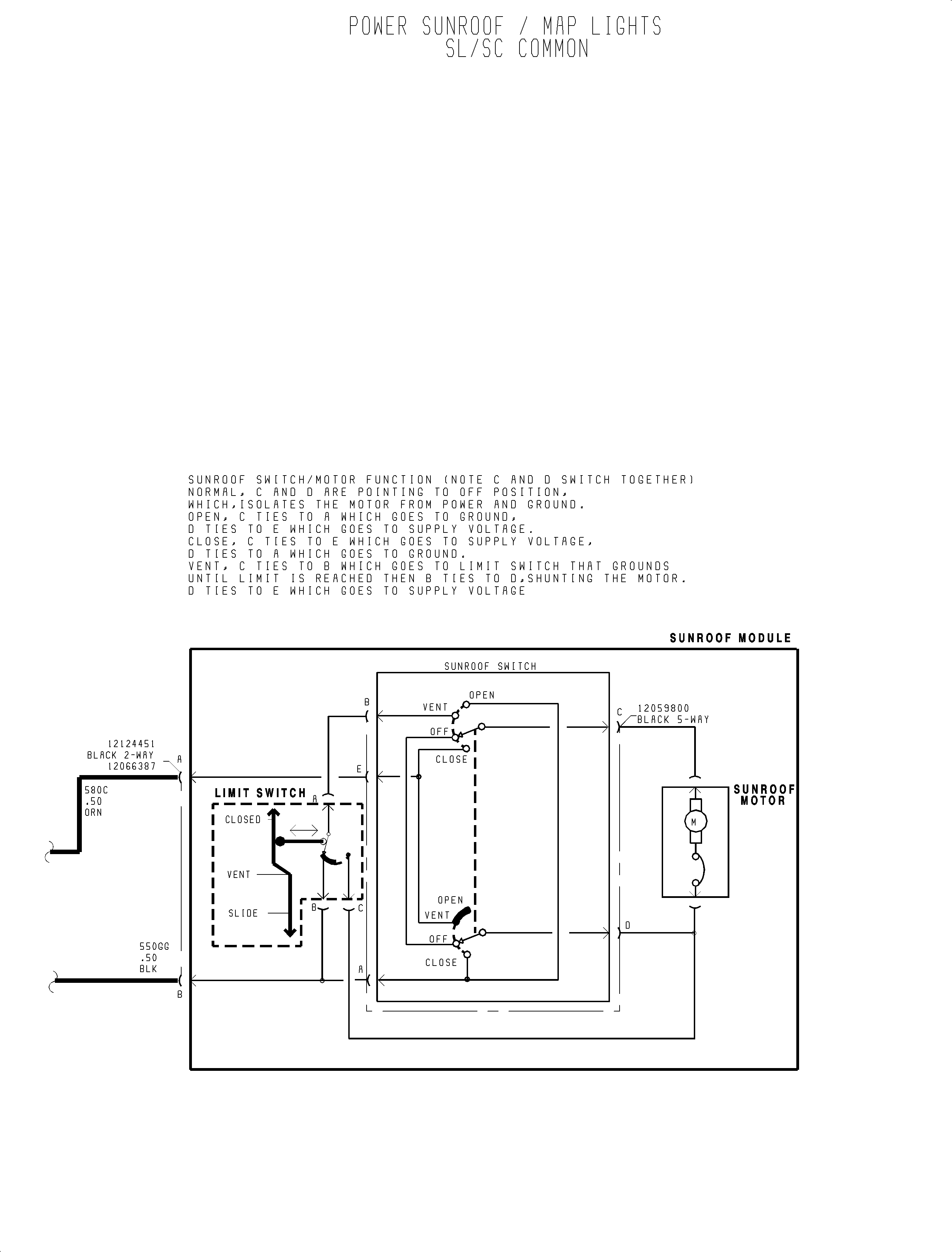
FIGURE Power Sunroof/Map Light Cont'd(c)


Object Number: 908564  Size: FP
Click here for detailed picture of above image.

  Document ID# 1201421
1998 Saturn SL2/SC2/SW2