DTC P0781
Circuit Description

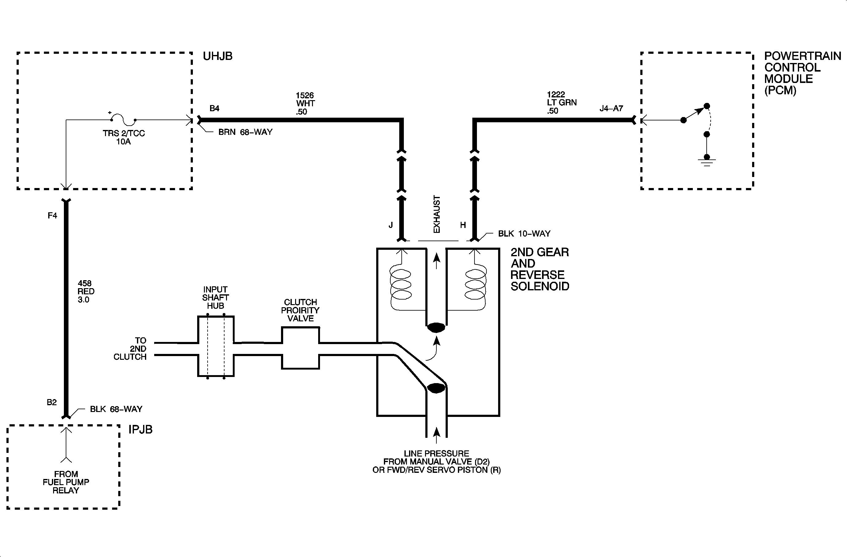
When a gear is commanded ON, the vehicle speed to input shaft speed ratio is
monitored to assure the correct gear ratio. Shift solenoid 2 performance indicates
that 1st gear was commanded ON, but the actual ratio driving the vehicle is
equal to 2nd gear. This is calculated value ISS RPM/VSS RPM speed.
The input shaft speed sensor/vehicle speed sensor equals gear ratio. Second gear clutch
is turned OFF by grounding circuit 1222 at the PCM.
Conditions for Setting the DTC
DTC P0781 is set when the PCM has seen the following conditions for more than
3 seconds twice per ignition cycle:
- First gear is commanded by the PCM.
- No noise is detected on the input shaft or vehicle speed signals.
- Vehicle speed is greater than 5 km/h (3 mph).
- Input shaft speed is greater than 224 RPM.
- The speed ratio across the torque converter, engine speed versus input
speed, is less than 180. A speed ratio of 255 would be TCC on.
- The PCM calculated engine load value is greater than 200.
- The ratio of input shaft speed to vehicle speed equals that of 2nd gear.
Test Description
- Check for DTCs P0740, P0756, P0758, or P0759. They must be eliminated
first as a possible cause of DTC P0781.
Important
To check the solenoid operation, command
the solenoid quick test using the scan tool.
- Check the solenoid operation. Use the solenoid quick check in the test section.
Listen and compare the noise of the 2nd gear solenoid to that of the other
solenoids. The noise of all should be similar.
- Perform the 2nd clutch air check. For pressure apply points, refer to
Test Section Diagnosis. Apply compressed air with the rubber nozzle on the air gun.
The problem could be a mechanical failure. This step begins the internal diagnosis.
- Cross leaks to and from the 2nd clutch circuit can cause the 2nd clutch
to be on at all times. If DTC P0781 is present and there is no reverse, check
the end cover input hub seals.
- As air pressure is applied and released, the clutch plates should also
apply and release. If the clutch plates are moving normally and no other leaks are
detected, the problem is probably in the valvebody. If the clutches are not moving
correctly, the problem is in the end cover or an internal clutch assembly problem.
Repair Verification
Monitor the DTC menu Code Status for Pass Since Code Clear and Pass This Ignition
Cycle. When both have passed, the repair is verified.
Criteria for pass:
- The engine is running.
- Power is present at the solenoids and no active faults exist for this
solenoid.
Diagnostic Aids
- When the PCM detects a fault in the circuit, an open, ground, or short,
the PCM will open the circuit internally to protect the circuit.
- This could be a hot or cold only condition. If the condition is intermittent,
try to reproduce the conditions in the MALF table to reset the DTC.
- The problem could be internal. There is a possible hydraulic leak, seals,
gaskets, porosity, etc.
- This DTC may set or intermittent 2nd gear starts may be caused
by a poor electrical connection at either the PCM, solenoid connector plate, or UHJB
terminals. Wiggling the connectors while performing a solenoid quick test may help
isolate the problem area.
