
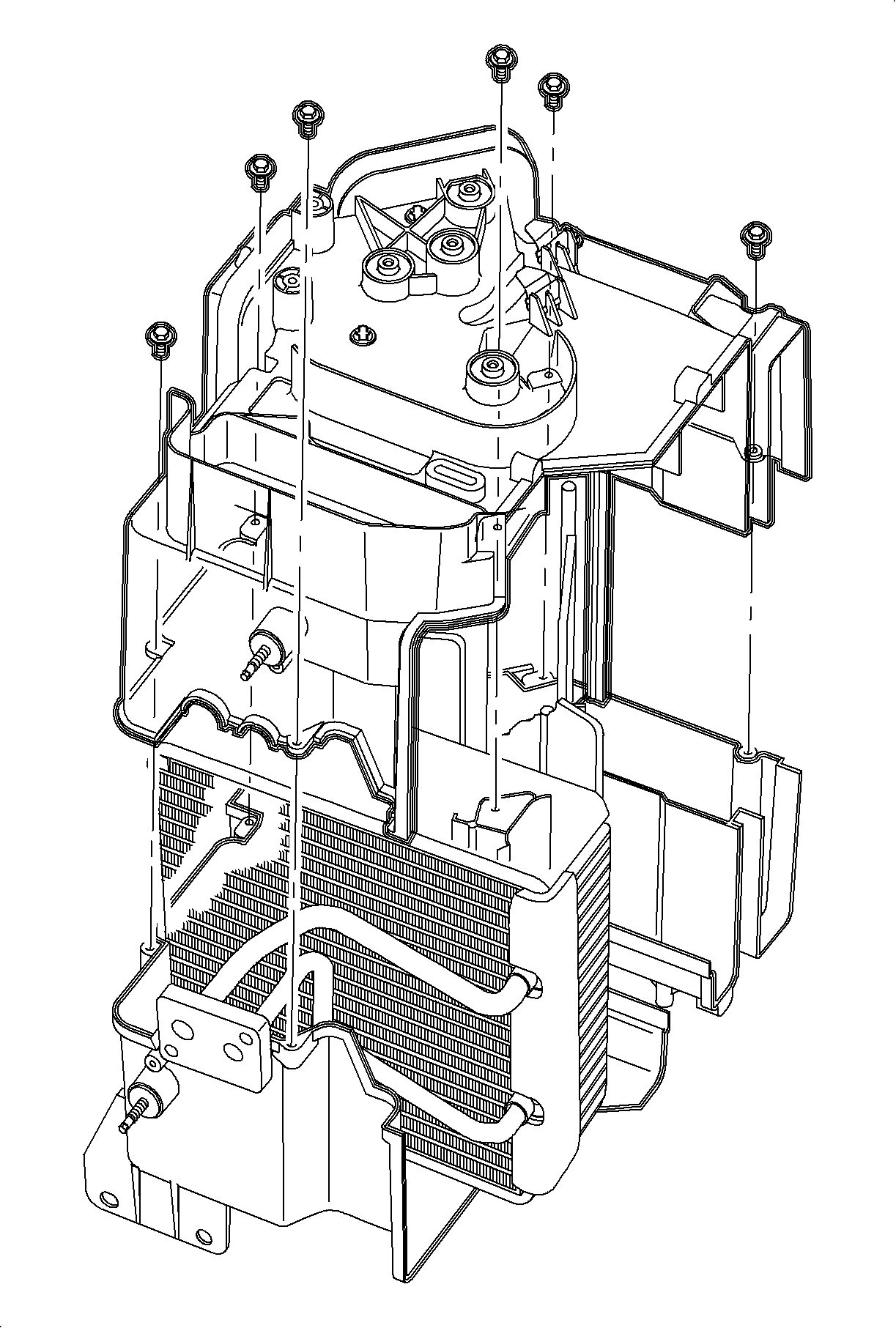
Important
When installing a new evaporator core, 67 ml
(2.25 oz) of PAG oil must be added to the core. Replace the evaporator pipe
cover before installing core.
- Install the evaporator core into the right side or the HVAC module case.

Important
- Left case half cross support must interlock with right case half cross
support.
- When properly seated, module case tongue and groove seal will fit together
snugly.
- Install the left half of the HVAC module case cover core and align the door
shafts with the openings. Press the halves together until seated.

- Install the case screws. When installing center screw,
use a piece of tape to hold the screw to the socket until the threads are started.

Important
When properly seated, module case tongue
and groove seal will fit together snugly.
- Install the lower case.
- Install the lower case screws.

- Install the heater core assembly. Press the core into
the HVAC module case until the pipes contact the pipe cover attachment boss.

- Install the heater core pipe cover and screws.

Important
All plastic cam levers have molded in part
names and numbers. Refer to the cam illustration chart for part location information.
All levers must be installed with the retention tang outward. Applying pressure to
the opposite end of the door shaft may aid in seating the tang into the shaft.
- Install the defroster lever labeled DEF onto the defroster door shaft until
the tang seats into the shaft notch.
- Install the vent lever labeled VENT 1301 onto the vent door shaft until
the tang seats into the shaft notch.
- Install the heater lever labeled VENT 1401 onto the heater door shaft
until the tang seats into the shaft notch.

- Position the metal heater sub-lever on the module boss
with the pin set into the heater door lever.
- Install the heater sub-lever washer and screw.
- Rotate the heater sub-lever to verify the smooth operation of the levers
and heater door.

- Position the metal defroster sub-lever on the module
boss with the pins set into the defroster door lever.
- Install the defroster sub-lever washer and screw.
- Rotate the defroster sub-lever to verify the smooth operation of the lever
and defroster door.

- Install the mode cam on the center boss. Align the
defroster sub-lever, vent lever, and heater sub-lever so that each pin is the proper
mode cam track.
- Install the mode cam washer and screw.
- Rotate the mode cam to verify the smooth operation of all doors, levers,
and sub-levers.

Important
Install the mode cable with the wire eyelet
wrap as shown.
- Install the mode cable.

Important
Do not install the mode cable housing into
the retainer at this time.
- Install the mode cable eyelet between the mode cam pin and module case and rotate
onto the mode cam pin.

- Install the lever labeled HOT onto the lower mix cam
door shaft until the tang seats into the shaft notch.

- Install the temperature cam ensuring that the lower
mix lever pin is in the cam lower track.
- Install the temperature cam washer and screw.

- Position the lever labeled COOL onto the upper mix
cam door shaft so that the pin will be in the upper temperature cam track when seated.
Press down until the tang seats into the shaft notch.
- Rotate the temperature cam to verify the smooth operation of both doors.

Important
Install the temperature cable with the wire
eyelet wrap as shown.
- Install the temperature cable.

Important
Do not install the temperature cable housing
into the retainer at this time.
- Install the temperature cable on the temperature cam pin and install the circular
push-on retainer.

- Install the left module mounting bracket and screws.

- Install the pipe support plate screws.

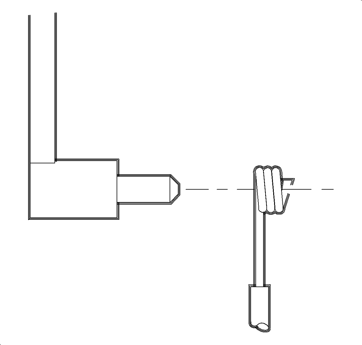
Important
The heater core pipe seal consists of 2 seals
installed back-to-back.
- Install the evaporator block seal, heater core pipe seal, and drain tube seal.