Document ID# 1200077
1998 Saturn SL2/SC2/SW2
 

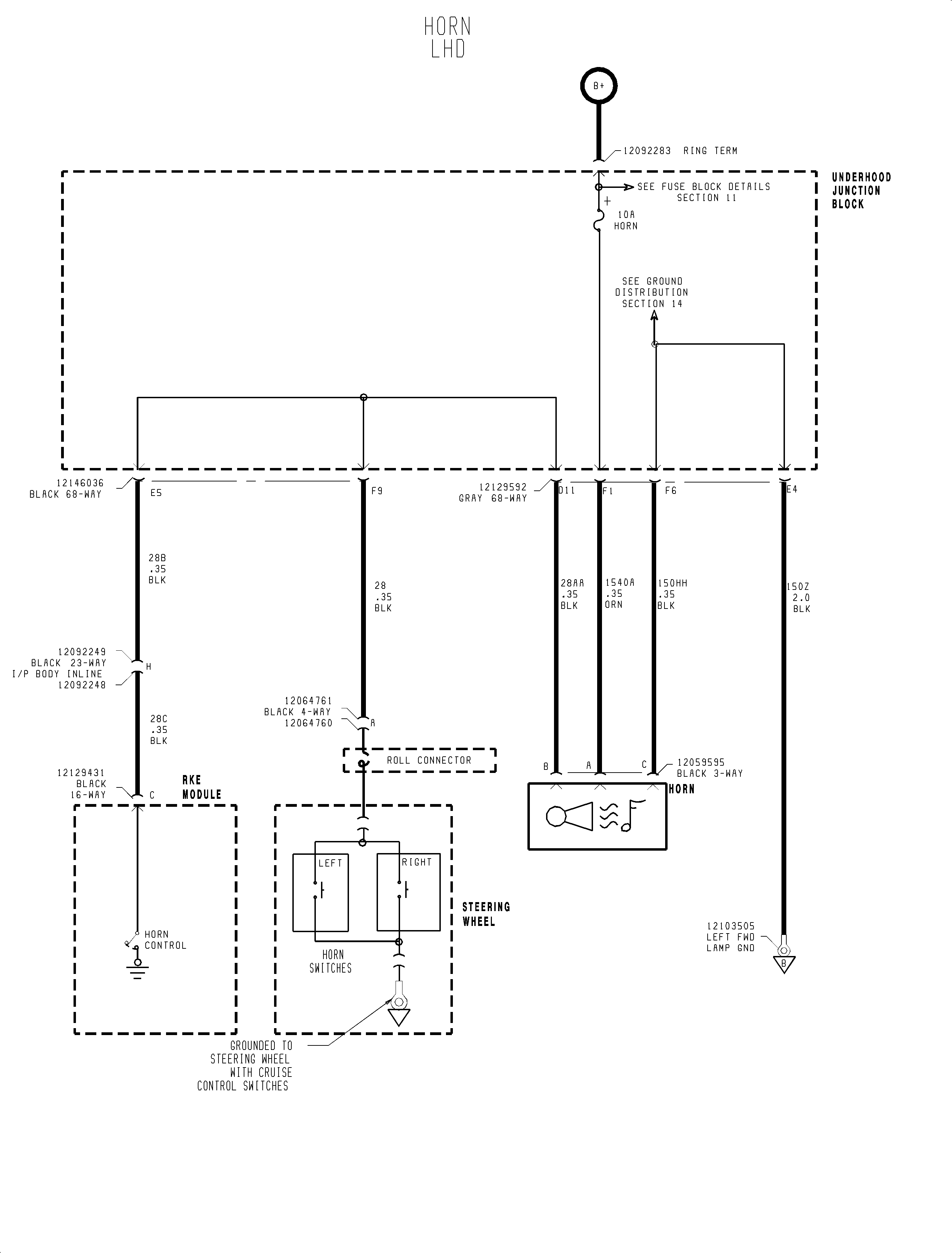
Horns Schematics

FIGURE Horn(c)


Object Number: 907834  Size: FP
Click here for detailed picture of above image.

  Document ID# 1200077
1998 Saturn SL2/SC2/SW2