Document ID# 1199565
1998 Saturn SL2/SC2/SW2
 

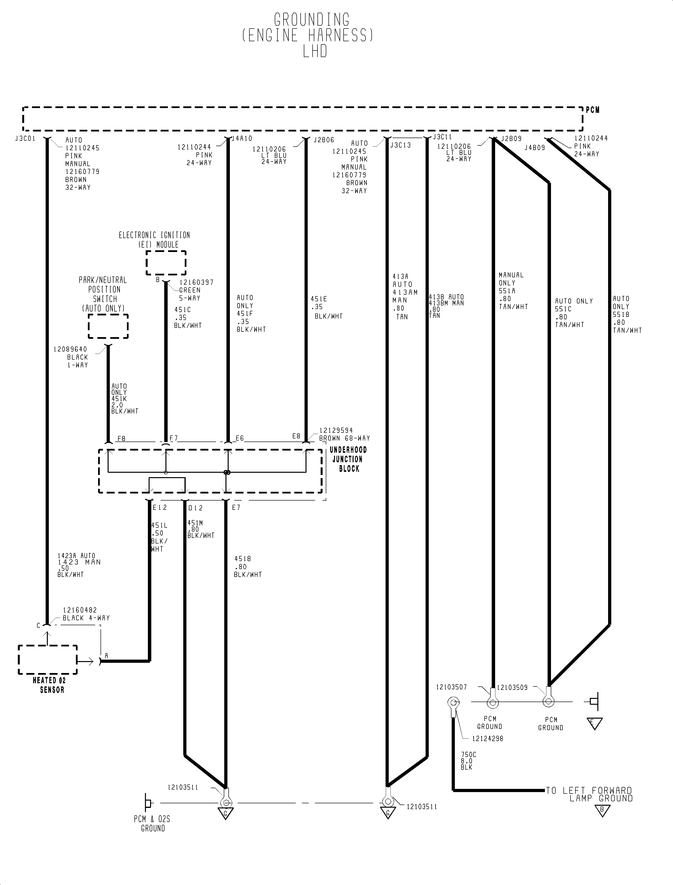
FIGURE Engine Harness Grounding(c)


Object Number: 907341  Size: FP
Click here for detailed picture of above image.

  Document ID# 1199565
1998 Saturn SL2/SC2/SW2