Document ID# 1200879
1998 Saturn SL2/SC2/SW2
 

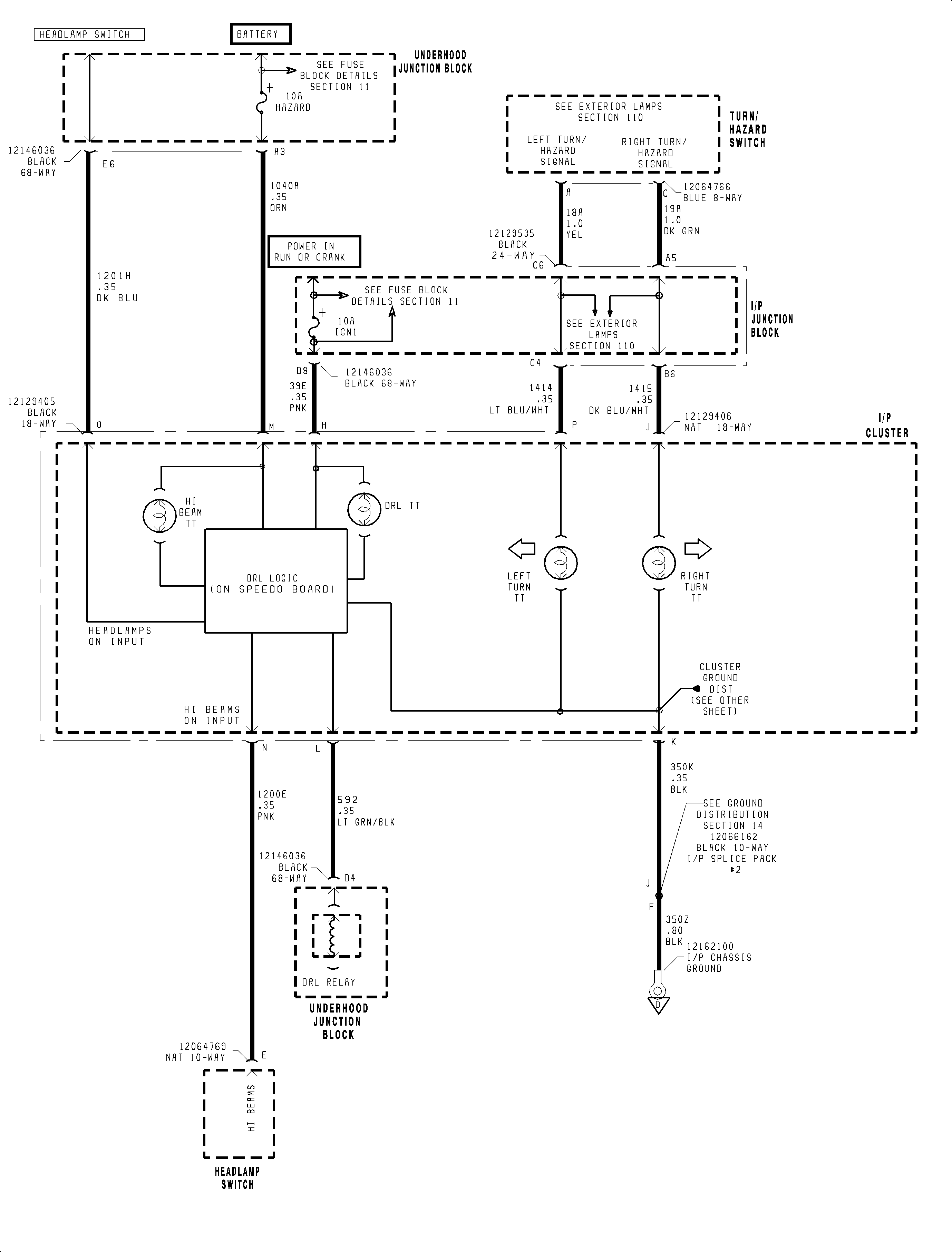
FIGURE Telltales and DRL Logic (1998)(c)


Object Number: 906877  Size: FP
Click here for detailed picture of above image.

  Document ID# 1200879
1998 Saturn SL2/SC2/SW2