Document ID# 1199573
1998 Saturn SL2/SC2/SW2
 

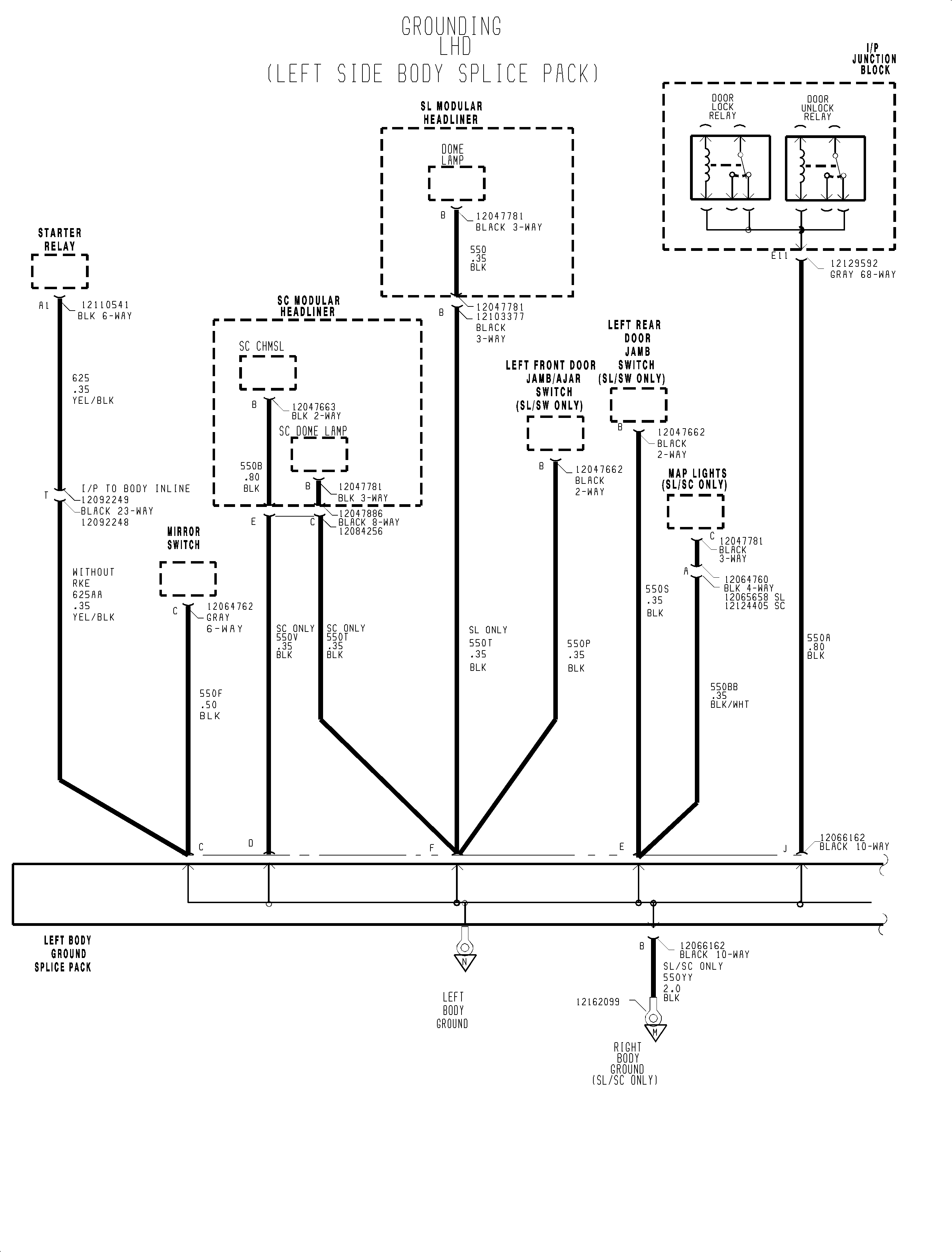
FIGURE Left Body Ground Splice Pack(c)


Object Number: 907376  Size: FP
Click here for detailed picture of above image.

  Document ID# 1199573
1998 Saturn SL2/SC2/SW2